ඩයෝඩය
ඩයෝඩයක් (diode) යනු විදුලිය එක පැත්තකට පමණක් ගමන් කිරීමට සලස්වන ඉතා වැදගත් ඉලෙක්ට්රෝනික උපාංගයකි. ඩයෝඩයක මෙම එක් පැත්තකට පමණක් ධාරාව ගලා යෑමට ඉඩ දීමේ ක්රියාව diode action යන නමින් හැඳින්වේ. ඒ අනුව, diode action එකක් සහිත උපාංගය ඩයෝඩයක් ලෙස හැඳින්විය හැකිය. මෙම උපාංගය (හා ඉදිරියට කියවෙන වෙනත් බොහෝ උපාංගද) සාදන්නේ අර්ධසන්නායක (semiconductor) යන නමින් හැඳින්වෙන විශේෂ ද්රව්ය කාණ්ඩයකින්ය.
ඩයෝඩයක අග්ර දෙකක් ඇති අතර ඒවා ඇනෝඩය (Anode) (A) හා කැතෝඩය (Cathode) (K) යන නම් දෙකෙන් හැඳින්වේ. ඩයෝඩයක කැතෝඩය සාමාන්යයෙන් යම් සලකුණකින් දක්වනු ලැබේ.
ඩයෝඩයේ රූපමය සලකුණ පහත දැක්වේ. එහි, කැතෝඩය හා ඇනෝඩය හඳුනා ගැනීම ඉතා පහසුය. (ඊතල හිස යොමු වී ඇති පැත්ත කැතෝඩය වේ. එනම්, ඊතල හිස සහිත පැත්තට පමණක් ධාරාව ගැලීමට පුලුවන්ය. එම දිශාවට සම්මත විදුලි ධාරාව ගැලීමට නම්, පෙන්වා ඇති පරිදි වැඩි විභවයක් ඇනෝඩයටද අඩු විභවයක් කැතෝඩයටද ලබා දිය යුතු බව පැහැදිලියි නේද?)
ඩයෝඩයක ඇනෝඩයට ධන විභවයක්ද, කැතෝඩයට ඍණ විභයවක්ද සැපයූ විට එම ඩයෝඩය හරහා ධාරාවක් ගලා යයි. මෙය පෙර නැඹුරුව (forward bias) ලෙස හැඳින් වේ. එලෙසම, විභවයන් මාරු කර සම්බන්ද කළ විට (එනම්, කැතෝඩයට ධන හා ඇනෝඩයට ඍණ) ඩයෝඩය හරහා ධාරාවක් නොගලන අතර, එය පසු නැඹුරුව (reverse bias) ලෙස හැඳින් වේ.
ඩයෝඩයක අමුතු විශේෂත්වයක් ඇත. එනම්, පෙර නැඹුරු කළ විට, ඩයෝඩය දෙපස හැම විටම 0.7ක පමණ වෝල්ටියතාවක් පවත්වා ගන්නවා. (සමහරුන් මෙය 0.6 හෝ 0.65 ලෙසද ගන්නවා.) ඇත්තටම මෙම 0.7V ප්රමාණය ගන්නේ සිලිකන් නම් අමුද්රව්යවලින් තැනූ ඩයෝඩය. අද බහුලවම භාවිතා කරන්නේ සිලිකන් ඩයෝඩ වේ. ජර්මේනියම්වලින් සෑදූ ඩයෝඩයක දෙපස පවත්වා ගෙන යන්නේ 0.2ක වෝල්ට් ප්රමාණයකි. තවද, මෙම 0.7 (සිලිකන් ඩයෝඩ සඳහා) හෝ 0.2 (ජර්මේනියම් ඩයෝඩ සඳහා) යන අගයට අඩු වෝල්ටියතාවක් (partially forward biased) සහිත පරිපථයකට ඩයෝඩය සවි කළ විට, එම සම්පූර්ණ වෝල්ට් ප්රමාණයම ඩයෝඩය දෙපස රැඳෙන අතර, පරිපථය හරහා ධාරාවක් ගලා නොයයි. පරිපථය හරහා ධාරාවක් ගැලීමට අනිවාර්යෙන්ම ඩයෝඩය සම්බන්ද කළ යුත්තේ ඉහත අගයන්ට වඩා ඉතා කුඩා ප්රමාණයකින් හෝ වැඩි අගයක් සහිති වෝල්ටියතාවකටයි.
ඩයෝඩය හරහා කොතරම් ධාරාවක් ගියද, මෙම රඳවා ගන්නා වෝල්ට් ප්රමාණය වෙනස් නොවේ. එය V=IR යන ඕම් නියමයට පටහැනි බව පෙනේ (මක්නිසාද යත්, ඕම් නියමය අනුව උපාංගය හරහා ගලා යන ධාරාව වැඩි වන විට උපාංගය දෙපස ඩ්රොප් වන වෝල්ට් ගණනද වෙනස් වේ. එහෙත් ඩයෝඩය මෙලෙස ක්රියා නොකර, ධාරාව කොතරම් වෙනස් වුවත්, එකම වෝල්ටියතාවක් දෙපස රඳවා ගනී.) ධාරාව වෙනස් වූ විට, දෙපස රඳවා ගන්නා වෝල්ට් ගණන වෙනස් නොවී තිබීමට ඇති එකම ක්රමය නම්, ධාරාව වැඩි වන විට, ඊට අනුරූපව ඩයෝඩයේ “අභ්යන්තර ප්රතිරෝධය” අඩු විය යුතු අතර, එලෙසම ධාරාව අඩු වන විට, අභ්යන්තර ප්රතිරෝධය වැඩි විය යුතුය.
මෙලෙස, තමන් හරහා ගලන ධාරාව අනුව තමන්ගේ අභ්යන්තර ප්රතිරෝධය වෙනස් කරගන්නා උපාංග non-linear උපාංග ලෙස හැඳින්වේ. ඩයෝඩය ඒ අනුව නන්-ලීනියර් උපාංගයකි. පසුව කතා කරන ට්රාන්සිස්ටරයද නන්-ලීනියර් උපාංගයකි.
ඒසී විදුලිය ගමන් කරන පරිපථයකට ඩයෝඩයක් සම්බන්ද කළ විට, එය හරහා එක් දිශාවකට පමණක් විදුලිය ගමන් කිරීමට සලස්වයි. එනම්, ඒසී විදුලිය යනු මාරුවෙන් මාරුවට දෙපැත්තටම ධාරාව ගමන් කිරීමක් නිසා, ඉන් එක පැත්තකට ධාරාව ගැලීම කපා දමා අනෙක් පැත්තට පමණක් යෑමට සලස්වයි. දැන් එම ඒසී විදුලිය ඩීසී විදුලියක් බවට පත්ව ඇත. ඩයෝඩය සවි කරන පැත්ත අනුව කුමන දිශාවටද විදුලිය ගමන් කරන්නේ යන වග තීරණය වේ.
මෙම ක්රියාව (එනම්, දෙපසට ගමන් කරන ඒසී විදුලියක් තනි පැත්තකට ක්රියා කරන ඩීසී විදුලියක් බවට පත් කිරීම) ඍජුකරණය (rectification) ලෙස පොතේ මුලදී හැඳින්වූවා මතකද? මෙනිසාම, සමහරුන් ඩයෝඩය රෙක්ටිෆයර්(rectifier) යන නමින්ද හඳුන් වනවා. (එහෙත් එය එතරම් හොඳ දෙයක් නොවේ. විවිධ අරමුණු උදෙසා ඩයෝඩය යොදා ගන්නවා. ඒ අතරින් එක් අරමුණක් වන්නේ ඍජුකරණයයි. මොන අරමුණින් යොදා ගත්තත් ඩයෝඩයක ක්රියාකාරිත්වය එකමයි. එනම්, එක් පැත්තකට පමණක් ධාරාව ගැලීමට සැලැස්වීමයි.)
සටහන
ඉහත රූපය බැලූ විට ඔබට පෙනෙනවා විදුලිය එක පැත්තකට පමණක් ගමන් කළත්, එම විදුලියද අඛණ්ඩව අඩු වැඩි වෙන බව (A සිට B දක්වා). ඒ විතරක් නොවේ, යම් කාල පරාසයක් තුළ කිසිදු විදුලියක් ගමන් නොකරන බවක්ද(B සිට C දක්වා) පෙනේ. කුමන ලෙසකින් හෝ මෙම විදුලිය ගමන් කරන්නේ එක් දිශාවකට පමණක් වන බැවින් මෙය ඩීසී විදුලියක් ලෙස සැලකීමට සිදු වෙනවා. මෙය ඇත්තටම එතරම් හොඳ (පිරිසිදු) ඩීසී විදුලියක් නොවේ. මෙවැනි ස්ථාවර නොවන නිරන්තරයෙන් අඩු වෙඩි වෙමින් ගමන් කරන ඩීසී විදුලියක් pulsating (පල්සේටිං) electricity ලෙස හැඳින් වේ. මෙවැනි පල්සේටිං ඩීසී විදුලියක් යම් යම් උපක්රම යොදා ස්ථාවර නියත ඩීසී විදුලියක් බවට පත් කර ගත යුතුය. එම ක්රියාව “සුමට කිරීම” (smoothing) ලෙස හැඳින් වේ. (සුමට කිරීම සිදු කරන්නේ ධාරිත්රක (හා ප්රේරක) යොදාගෙන බව ඔබට පසු පාඩමක ඉගෙන ගැනීමට ලැබෙනු ඇත.)
සටහන
අර්ධසන්නායක යනු සන්නායක, පරිවාරක වගේම තවත් ද්රව්ය විශේෂයකි. බැලූ බැල්මටම ඒවාට එම නම ලැබී ඇත්තේ සන්නායක හා පරිවාරක යන දෙවර්ගයට මැදින් හෙවත් අර්ධ වශයෙන් සන්නායක (හා අර්ධ වශයෙන් පරිවාරක) වන නිසා යැයි ඔබට සිතෙනු ඇත. එය එක්තරා දුරකට සත්යයකි. අර්ධසන්නායක ද්රව්යය පරිවාරක මෙන් සම්පූර්ණයෙන්ම විදුලිය ගමන් කිරීමට බැරි ද්රව්යයක් නොවේ. ඒවගේම, අර්ධසන්නායක සන්නායක මෙන් ඉතා හොඳින් විදුලිය සන්නයනය කළ හැකි ද්රව්යයක්ද නොවේ.
අර්ධසන්නායක යනු සන්නායක, පරිවාරක වගේම තවත් ද්රව්ය විශේෂයකි. බැලූ බැල්මටම ඒවාට එම නම ලැබී ඇත්තේ සන්නායක හා පරිවාරක යන දෙවර්ගයට මැදින් හෙවත් අර්ධ වශයෙන් සන්නායක (හා අර්ධ වශයෙන් පරිවාරක) වන නිසා යැයි ඔබට සිතෙනු ඇත. එය එක්තරා දුරකට සත්යයකි. අර්ධසන්නායක ද්රව්යය පරිවාරක මෙන් සම්පූර්ණයෙන්ම විදුලිය ගමන් කිරීමට බැරි ද්රව්යයක් නොවේ. ඒවගේම, අර්ධසන්නායක සන්නායක මෙන් ඉතා හොඳින් විදුලිය සන්නයනය කළ හැකි ද්රව්යයක්ද නොවේ.
එහෙත්, සත්ය ලෙසම අර්ධසන්නායක යනු ඊට වඩා ගැඹුරු විද්යාත්මක හේතුවක් මත ක්රියාකරන ද්රව්ය විශේෂයකි. මේ ගැන පසු පාඩමක සවිස්තරාත්මකව පැහැදිලි කෙරෙනු ඇත. (අර්ධසන්නායක යනු මූලිකව සිලිකන්, ජර්මේනියම් යන මූලද්රව්ය දෙක බව දැනට මතක තබා ගන්න.)
සන්නායක, අර්ධසන්නායක, පරිවාරක වැනිම තවත් විශේෂ ද්රව්ය කාණ්ඩයක් තිබෙනවා. ඒවා සුපිරිසන්නායක (superconductor) යන නමින් හඳුන්වනවා. නමින් කියවෙන පරිදිම මේවා “සුපිරි” සන්නායක වේ. එනම්, මෙම ද්රව්යවල ප්රතිරෝධය ශූන්ය වේ. ඒ අනුව ඕම් නියමය මෙම සුපිරිසන්නායකවලට වලංගුද නොවේ (R අගයක් නොමැති නිසා). මෙම ද්රව්යවල විස්මිත ගුණාංග ඇත. එමගින් “සුපිරි වැඩ” කරගත හැකිය. (එම සුපිරි වැඩ මොනවාදැයි ඔබම සොයා දැනගන්න.) ඕනෑම මූලද්රව්යයක (හෝ ද්රව්යයක) උෂ්ණත්වය අඩු කරමින් යන විට, යම් උෂ්ණත්වයකදී එම ද්රව්යය සුපිරිසන්නායක බවට පත් වේ. එම උෂ්ණත්වය “අවධි උෂ්ණත්වය” (critical temperature) යන නමින් හැඳින් වේ. හැම ද්රව්යයක්ම සුපිරිසන්නායක වන්නේ එකම උෂ්ණත්වයකදී නොව ඒ ඒ ද්රව්යයන්ට ආවේණික විවිධ උෂ්ණත්ව වලදීය. ප්රශ්නය වන්නේ, එම සියලු උෂ්ණත්වයන් ඉතාම පහළ උෂ්ණත්වයන් වීමයි. එමනිසා සුපිරිසන්නායකවලින් ගත හැකි “සුපිරි වැඩ” අදටත් ප්රායෝගිකව යොදා ගැනීමට නොහැකිය. විද්යාඥයින් ඉහළ උෂ්ණත්ව වලදී සුපිරිසන්නායක ගුණ පෙන්වන ද්රව්ය නිපදවීමට පර්යේෂණ කරමින් සිටී.
හෝල්-තෲ හා SMD යන දෙයාකාරයෙන්ම ඩයෝඩ ලබා ගත හැකිය.
ඇත්තටම විවිධ විශේෂ ගති ගුණ ඇති ඩයෝඩ වර්ග නිපදවා ඇත. ඉන් එකකි “ආලෝක විමෝචක ඩයෝඩය”. සමහරවිට එම නම ඔබට නුහුරු වන්නට පුලුවන. ඔබ “එල් ඊ ඩී” යන නම අසා තිබෙනවා නේද? LED (Light Emitting Diode) යනු ආලෝක විමෝචක ඩයෝඩයයි. මෙයද ඩයෝඩයක් නිසා ඉහත කී සියලු විස්තර මෙම ඩයෝඩයටද ගැලපේ. විශේෂත්වය නම්, පෙර නැඹුරු කළ විට ආලෝකය නිකුත් වීමයි.
ඩයෝඩවල පමණක් නොවේ. රෙසිස්ටර්, කැපෑසිටර් ආදී අනෙක් උපාංගවලද විශේෂ ගති ගුණ සහිත ප්රභේද ගණනාවක් පවතී. මෙම පොත ට්රොනික්ස් ගැන හැඳින්වීමක් නිසා, එම උපාංග ගැන සඳහන් නොකරනු ඇත. පසු පොත්වල එම උපාංග මෙන්ම සියලු උපාංගවල සම්පූර්ණ විස්තර හා සූත්ර හඳුන්වා දෙයි.
සටහන
අර්ධසන්නායක තාක්ෂණය බිහිවන්නට පෙර ඩයෝඩ (හා ට්රාන්සිස්ටර්) වල ක්රියාව කළේ වෑල්ව් (valve) යනුවෙන් හැඳින්වෙන උපාංගවලිනි. රික්තනල (vacuum tube), ටියුබ් (tube) යන නමිවලින්ද මේවා හැඳින්වේ. බැලූ බැල්මට මේවා විදුලි බුබුලුවල පෙනුම ඇත. මේවායේ අග්ර දෙක, අග්ර තුන, හතර, පහ ආදී ලෙස විවිධ අග්ර ගණන් වලින් යුතුව මිල දී ගත හැකිය. එම අග්ර ගණන අනුව ඒවා diode (අග්ර 2), triode (අග්ර 3), tetrode (අග්ර 4), pentode(අග්ර 5) ආදී ලෙස නම් කෙරේ.
අර්ධසන්නායක තාක්ෂණය බිහිවන්නට පෙර ඩයෝඩ (හා ට්රාන්සිස්ටර්) වල ක්රියාව කළේ වෑල්ව් (valve) යනුවෙන් හැඳින්වෙන උපාංගවලිනි. රික්තනල (vacuum tube), ටියුබ් (tube) යන නමිවලින්ද මේවා හැඳින්වේ. බැලූ බැල්මට මේවා විදුලි බුබුලුවල පෙනුම ඇත. මේවායේ අග්ර දෙක, අග්ර තුන, හතර, පහ ආදී ලෙස විවිධ අග්ර ගණන් වලින් යුතුව මිල දී ගත හැකිය. එම අග්ර ගණන අනුව ඒවා diode (අග්ර 2), triode (අග්ර 3), tetrode (අග්ර 4), pentode(අග්ර 5) ආදී ලෙස නම් කෙරේ.
මෙම උපාංග (ඩයෝඩවලට වඩා) විශාලය (SMD ප්රමාණයේ ඩයෝඩ හා සැසඳීමේදී වෑල්ව් උපාංග අති දැවැන්තය.). ඉක්මනින්ම කැඩෙන බිඳෙන සුලුය. ක්රියාකාරිත්වය මන්දගාමී වේ. වැඩිපුර විදුලිය අපතේ යවයි (රත් වීමෙන්). නිෂ්පාදන මිල මෙන්ම, පරිපථ සෑදීමේදී වැඩි කාලයක් ගන්නා හෙයින්ද මේවා අවාසිදායක වේ. මෙම අවාසි නිසා අද වෑල්ව් භාවිතා කරන්නේ ඉතාම සීමිත අවස්ථාවකදී දෙකකදී පමණි. (වෑල්ව් ගැනද ඉතා සවිතරාත්මකව පසු පොතක ඉගැන්වේ.)
ට්රාන්සිස්ටර්
“ට්රාන්සිස්ටර් ක්රියාව” (transistor action) යන ක්රියාව සිදු කරන උපාංගය ට්රාන්සිස්ටරය වේ. අද භාවිතා වන ට්රාන්සිස්ටර් ඩයෝඩ මෙන්ම අර්ධසන්නායක වලින් සාදා ඇත. මෙම අර්ධසන්නායක ට්රාන්සිස්ටර් පැමිණෙන්නට පෙර මෙම ට්රාන්සිස්ටර් ඇක්ෂන් එක සිදු කළේ ට්රයෝඩ්, ටෙට්රෝඩ් යන නම් වලිනි හැඳින් වූ වෑල්ව්වලිනි. ට්රාන්සිස්ටර් හෝල්-තෲ හා SMD යන ආකාර දෙකින්ම ලබා ගත හැකිය.
ඉලෙක්ට්රොනික්ස් තුළ අන් සියලුම උපාංගයන්ට වඩා අති වැදගත්ම නැතිවම බැරි උපාංගය මෙය වේ. ඩිජිටල් ඉලෙක්ට්රොනික්ස් පරිපථවල පදනමද වන්නේ මෙම ට්රාන්සිස්ටර් වේ. තවද, රෙසිස්ටර්, කැප්ස්, ඉන්ඩක්ටර්, ඩයෝඩ වල මෙන් අග්ර දෙකේ (two lead/pin) උපාංගයක් නොවේ ට්රාන්සිස්ටරය කියන්නේ. ට්රාන්සිස්ටරයට අග්ර තුනක් ඇත. ප්රධාන ට්රාන්සිස්ටර් කාණ්ඩ දෙකක් ඇත.
1. බී ජේ ටී (BJT – Bipolar Junction Transistor)
2. ෆෙට් (FET – Field Effect Transistor)
ඉහත පෙනෙන පරිදි BJT හා FET දෙකෙහි වෙනසක් භාහිර පෙනුමෙන් දැකිය නොහැකිය. මෙම ට්රාන්සිස්ටර් කාණ්ඩ දෙකෙන්ම සිදු කරන්නේ එකම ට්රාන්සිස්ටර් ක්රියාව වේ. එහෙත් එය සිදු කරන අන්දම වෙනස්ය. මේවා ගැන විස්තරාත්මකව පසුව ඉගැන්වෙනු ඇත. BJT එකක අග්ර තුන පාදම (base – B), සංග්රහකය (collector –C), හා විමෝචකය (emitter – E) යන නම්වලින් හැඳින්වෙන අතර, ෆෙට් එකක අග්ර තුන ගේට් (gate –G), සෝස් (source – S), හා ඩ්රේන් (drain – D) යන නම්වලින් හැඳින්වේ.
සටහන
බයිපෝලර් ට්රාන්සිස්ටරයකට සපයන වෝල්ටියතාව VB ලෙසද, කලෙක්ටරයකට සපයන වෝල්ටියතාව VC ලෙසද, එමිටරයට සපයන වෝල්ටියතාව VE ලෙසද සලකුණු කෙරේ. එලෙසම, බේසය තුළින් ගලන ධාරාව IB ලෙසද, එමිටරය තුළින් ගලන ධාරාව IE ලෙසද, කලෙක්ටරය තුළින් ගලන ධාරාව IE ලෙසද හැඳින් වේ.
බයිපෝලර් ට්රාන්සිස්ටරයකට සපයන වෝල්ටියතාව VB ලෙසද, කලෙක්ටරයකට සපයන වෝල්ටියතාව VC ලෙසද, එමිටරයට සපයන වෝල්ටියතාව VE ලෙසද සලකුණු කෙරේ. එලෙසම, බේසය තුළින් ගලන ධාරාව IB ලෙසද, එමිටරය තුළින් ගලන ධාරාව IE ලෙසද, කලෙක්ටරය තුළින් ගලන ධාරාව IE ලෙසද හැඳින් වේ.
එලෙසම, ෆෙට් ට්රාන්සිස්ටරයක ඒ ඒ අග්රයන්හි වෝල්ටියතා හා ධාරාවන්හි සංඛේත පහත රූපයෙන් දක්වා ඇත.
එවිතරක් නොවේ, පරිපථයක ඇති ප්රතිරෝධක උපාංග R යන සලකුණින්ද, ධාරිත්රක C යන සලකුණින්ද, ඉන්ඩක්ටර් L යන සලකුණින්ද, ඩයෝඩ D යන සලකුණින්ද, ඕනෑම ට්රාන්සිස්ටරයක් Q (හෝ T) යන සලකුණින්ද, ස්විච SW සලකුණින්ද සලකුණු කළ යුතුය. අනෙක් (මෙහි දැනට සඳහන් නොකළ උපාංගවලටද එවැනි සලකුණු ඇත.)
තවද, ඒ ඒ උපාංගවල කිහිපයක් බැගින් පවතින නිසා, 1, 2, 3 ආදී ලෙස ඉලක්කමක් ඉහත ඉංග්රිසි අකුරු පිටුපසින් යොදා (R1, R2, R3, C2. C12, L8, D1, Q9,…) ඒවා වෙන වෙනම අනන්යව සලකුණු කළ හැකිය.
BJT නැවත NPN (එන් පී එන්) හා PNP (පී එන් පී) ලෙස උපවර්ග දෙකකින් ඇති අතර, NPN වර්ගය බහුලව භාවිතා වේ. FET නැවත JFET (ජේෆෙට්) හා MOSFET (මෝස්ෆෙට්) ලෙස ප්රධාන උපවර්ග දෙකකින් ඇත. මෙම JFET හා MOSFET යන FET ට්රාන්සිස්ටර් දෙක නැවැත තවත් ප්රභේද කිහිපයකට බෙදේ. එම සියලුම ෆෙට් වර්ගීකරණය ඒවාට හිමි රූපමය සලකුණු සමග මා පහත දක්වා ඇත.
මා මෙතැන් සිට බයිපෝලර් ට්රාන්සිස්ටර් ගැන පමණක කතා කරනවා. (සියලුම ෆෙට් ගැන පසු පාඩමක සවිස්තරාත්මකව සාක්ච්ඡා කරනවා.) බයිපෝලර් ට්රාන්සිස්ටර් වර්ග දෙකෙහි රූපමය සංඛේත පහත දැක්වේ.
ට්රාන්සිස්ටරයක් ක්රියාත්මක වීමට එහි අග්ර තුනට සුදුසු වෝල්ටියතාවන් හා ධාරාවන් සැපයිය යුතුය. එසේ නොවුණොත් එය වැඩ කරන්නේ නැත. මෙයට ට්රාන්සිස්ටරයක් බයස් (bias) කරනවා යැයි පවසනවා. ට්රාන්සිස්ටරයක් බයස් කරන ක්රම කිහිපයක්ම ඇත. (මේ ගැන පසුව සවිස්තරාත්මකව ඉගැන්වේ.)
ට්රාන්සිස්ටරයක් මූලිකව වර්ධකයක් (amplifier) ලෙස භාවිතා වේ. ට්රාන්සිස්ටරයකට අග්ර තුනක් ඇති නිසා, ඉන් අග්ර දෙකක් ප්රදානය (input) ලෙසද, තවත් අග්ර දෙකක් ප්රතිදානය (output) ලෙසද හැඳින් වේ. එවිට, එක් අග්රයක් ඉන්පුට් හා අවුට්පුට් යන දෙකටම පොදු (common) වේ.
ඒ අනුව, ඉන්පුට් කොටසට ලබා දෙන සංඥාවක් වර්ධනය කර අවුට්පුට් කොටසින් පිටතට ලබා දීමෙන් ට්රාන්සිස්ටරයක් වර්ධකයක් ලෙස ක්රියා කරයි.
සටහන
සංඥාවක් වර්ධනය කරන්නේ ඇයි? පෙර අවස්ථාවකදීත් අප කතා කළා සංඥා ගැන. ඉලෙක්ට්රොනික පරිපථ යනුම සංඥා සමග වැඩ කරන ඒවාය. යම් භාහිර (භෞතික) සංඥා විදුලි සංඥා බවට පත් කර, එම සංඥාවලට විවිධ වෙනස්කම් සිදු කර නැවත එලියට වෙනත් (භෞතික) සංඥා වශයෙන් ලබා දීම බොහෝ විට මෙම පරිපථවල රාජකාරිය වේ. බොහෝ විට, (සෙන්සර් මගින්) පරිපථය තුළට ලබා දෙන විදුලි සංඥාව ඉතා දුර්වල මට්ටමේ පවතී. එමනිසා, එම සංඥාවන්ට යම් යම් වෙනස්කම් කිරීමට පෙර එම සංඥා වර්ධනය කළ යුතුය. තවද, පරිපථයක් මගින් එලියට ලබා දෙන (output) සංඥාව මගින් යම් යම් උපකරණ ක්රියාත්මක කිරීමට නම්, එම සංඥා විශාල (වර්ධිත) විය යුතුය. එවිටද, අපට අවශ්ය ප්රමාණයට සංඥා වර්ධනය කිරීමට සිදු වේ. මෙම වර්ධන ක්රියාව කරන්නේ ට්රාන්සිස්ටර් මගින්ය.
සංඥාවක් වර්ධනය කරන්නේ ඇයි? පෙර අවස්ථාවකදීත් අප කතා කළා සංඥා ගැන. ඉලෙක්ට්රොනික පරිපථ යනුම සංඥා සමග වැඩ කරන ඒවාය. යම් භාහිර (භෞතික) සංඥා විදුලි සංඥා බවට පත් කර, එම සංඥාවලට විවිධ වෙනස්කම් සිදු කර නැවත එලියට වෙනත් (භෞතික) සංඥා වශයෙන් ලබා දීම බොහෝ විට මෙම පරිපථවල රාජකාරිය වේ. බොහෝ විට, (සෙන්සර් මගින්) පරිපථය තුළට ලබා දෙන විදුලි සංඥාව ඉතා දුර්වල මට්ටමේ පවතී. එමනිසා, එම සංඥාවන්ට යම් යම් වෙනස්කම් කිරීමට පෙර එම සංඥා වර්ධනය කළ යුතුය. තවද, පරිපථයක් මගින් එලියට ලබා දෙන (output) සංඥාව මගින් යම් යම් උපකරණ ක්රියාත්මක කිරීමට නම්, එම සංඥා විශාල (වර්ධිත) විය යුතුය. එවිටද, අපට අවශ්ය ප්රමාණයට සංඥා වර්ධනය කිරීමට සිදු වේ. මෙම වර්ධන ක්රියාව කරන්නේ ට්රාන්සිස්ටර් මගින්ය.
උදාහරණයක් ලෙස, ඔබ මයික් එකක් ඉදිරියේ කතා කරන විට, එම ශබ්ද තරංග විදුලි තරංග බවට පත් වේ. එම විදුලි තරංගය ඉතා දුර්වලය. එය කෙලින්ම කිසි සේත් ස්පීකරයකට සම්බන්ද කළ නොහැකිය. එමනිසා එම දුර්වල විදුලි සංඥාව ට්රාන්සිස්ටර් පරිපථ කොටසක් හරහා වර්ධනය කර ගත යුතුය.
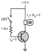
වර්ධකයකට අමතරව, ට්රාන්සිස්ටරය ඉලෙක්ට්රොනික් ස්විචයක් ලෙසද නිතරම භාවිතා වේ. ස්විචයක කාර්ය ඔබ හොඳින් දන්නවා. එනම්, යම් පරිපථයක් හරහා ගලන ධාරාව (විදුලිය) ඔන් ඕෆ් කිරීමයි ස්විචයකින් කරන්නේ. විවිධාකාරයෙන් ක්රියාකරන ස්විච ඇත. ඔබ ගෙදර දොරේ නිතර භාවිතා කරන ස්විචය ක්රියා කරන්නේ ඔබේ ඇඟිල්ලෙනි.
“ඇඟිල්ලෙන් දමනවා” යැයි පැවසුවත් ඊට වඩා නිවැරදි යෙදුම වන්නේ “යාන්ත්රිකව ක්රියා කරන” ස්විච (mechanical switch) යන්නයි. මීට අමතරව, උෂ්ණත්වය, පීඩනය, වේගය (ත්වරණය), චුම්භක ක්ෂේත්රය ආදී විවිධ භෞතික ගුණයන් මගින් ක්රියා කරන (හෝ එම ගුණයන්ට සංවේදී) ස්විචද ඇත. උදාහරණයක් ලෙස, උෂ්ණත්වය සෙල්සියස් අංශක 55ට (හෝ වෙනත් අගයක්) පත් වූ විට, ඕෆ් වෙන (හෝ ඔන් වෙන) ස්විච ඇත.
මේ අනුව ගත් කළ ස්විචයක් ලෙස ක්රියා කරන ට්රාන්සිස්ටරය යනු (පෙර සඳහන් කර ඇති පරිදි උෂ්ණත්වය, පීඩනය ආදිය මගින් ක්රියා කරන ස්විච මෙන්) විදුලිය මගින් ක්රියා කරන ස්විචයක් සේ සැලකිය හැකිය. එනම්, උෂ්ණත්වය මගින් ක්රියා කරන ස්විචය ඔන් (හෝ ඕෆ්) වන්නේ එම ස්විචයට යම් නිශ්චිත උෂ්ණත්වයක් ලබා දුන් විට සේම, ට්රාන්සිස්ටර් ස්විචයක් ඔන් (හෝ ඕෆ්) වන්නේ එයට යම් නිශ්චිත වෝල්ටියතා (හෝ ධාරා) ප්රමාණයක් ලබා දුන් විටයි. එනම්, ට්රාන්සිස්ටර ස්විචයක් විදුලිය මගින් ක්රියා කර, විදුලිය ඔන් ඕෆ් කළ හැකි ස්විචයකි.
අනෙක් ස්විච මෙන් නොව, ට්රාන්සිස්ටර් ස්විච ඉතා ඉතා ඉතා වේගවත්ය. ඔබට ඔබේ නිවසේ ඇති ස්විචය තත්පරයට කී පාරක් ඔන් ඕෆ් කළ හැකිද? දෙපාරක් හෝ තුන් පාරක් හෝ විය හැකිය. එහෙත් ට්රාන්සිස්ටර් ස්විචයකට එක් තත්පරයකට කෝටි ගණනක වාරයක් ඔන් ඕෆ් විය හැකිය. එනිසා, ට්රාන්සිස්ටර් ස්විචයක වේගය (switching speed) ඉතා ඉහළය. මෙම ට්රාන්සිස්ටර් ස්විචයේ වේගවත්බව තාක්ෂණයේ දියුණුවත් සමග දිනෙන් දින වැඩි වෙමින් පවතී. මෙම වේගවත්බවම තමයි ඉලෙක්ට්රොනික් උපකරණවල “සුපිරිබව” වැඩි වීමටත් ප්රධාන හේතුව.
පහත දැක්වෙන්නේ NPN වර්ගයේ බයිපෝලර් ට්රාන්සිස්ටරයක් යොදා වර්ධකයක් ලෙස සකස් කළ ඉතා සරල ඉලෙක්ට්රොනික් පරිපථයකි.
මෙහිදී ට්රාන්සිස්ටරයේ B-E (බේස්-එමිටර්) යන අග්ර දෙක ඉන්පුට් එක ලෙසද, C-E (කලෙක්ටර්-එමිටර්) යන අග්ර දෙක අවුට්පුට් එක ලෙසද ගෙන ඇත. එහිදී එමිටරය (E) පොදු අග්රය (common) වේ. මෙහිදී මයික්රෆෝනයෙන් ලැබෙන ඉතා දුර්වල විද්යුත් සංඥාව ට්රාන්සිස්ටරය විසින් වර්ධනය කර, කුඩා ස්පීකරයකට ලබා දේ. මෙහි R1, R2 ආදී ලෙස සඳහන් කර ඇති රෙසිස්ටර් මගින් ට්රාන්සිස්ටරය ක්රියාකාරි කිරීමට අවශ්ය බයස් කිරීම සිදු කරයි.
පහත දැක්වෙන්නේ එම ට්රාන්සිස්ටරයම ස්විචයක් ලෙස යොදා ගන්නා සරල පරිපථයකි.
මෙහිදී පෙර සේම ට්රාන්සිස්ටරයට මෙම අවශ්යතාව සඳහා අවශ්ය කරන විදියේ බයස් කිරීමක් රෙසිස්ටර් විසින් සිදු කර ඇත. බේසය වෙත ලැබෙන් ඉතා දුර්වල (කුඩා) විදුලි සංඥාවකට අනුව කලෙක්ටරයට සම්බන්ද කර ඇති (විශාල විදුලි ධාරාවක් ලබා ගන්නා) උපකරණයක් සවි කර ඇත.
සංගෘහිත පරිපථ
සංගෘහිත පරිපථ යනු අප බොහෝ දෙනා “අයි සී” (IC – Integrated Circuit) යනුවෙන් හඳුන්වනු ලබන සංකීර්ණ උපාංගයකි. පෙර කතා කළ රෙසිස්ටරය, කැපෑසිටරය, ඉන්ඩක්ටරය, ඩයෝඩය, ට්රාන්සිස්ටරය ආදී සෑම උපාංගයකමට යම් නිශ්චිත කාරයක් කිරීමට තිබුණි. එහෙත් IC එකකට එලෙස “එක් කාර්යක්” පමණක් නොව, විවිධ කාර්යන් දහස් ගණනක් කිරීමට හැකිය. එහෙත් බිය නොවන්න. ඔබට එම කිසිදු කාර්යක් කට පාඩම් කිරීමට අවශ්ය නැත. ඒ ඇයි?
ඔබ රෙසිස්ටර්, කැපෑසිටර්, ට්රාන්සිස්ටර් ආදී තනි තනා උපාංග යොදා විවිධ කාර්යන් කළ හැකි පරිපථ නිර්මාණය කර ගන්නවා. එවැනි පරිපථයක් ප්රමාණයෙන් තරමක් විශාලය. වෙන වෙනම උපාංග කඩෙන් මිල දී ගෙන යම් පුවරුවක් (board) එකක් මත “පාස්සමින්” එය සාදනවා. පහත රූපයේ දැක්වෙන්නේ 741 යන කේත නාමයෙන් ප්රසිද්ධ රුපියල් විස්සක් පමණ මුදලකට මිල දී ගත හැකි අයිසී එකක අභ්යන්තර පරිපථ සටහනකි.
එහෙත්, එම පරිපථයම ඇසට නොපෙනෙ තරමේ කුඩාවට සෑදීමට හැකියාව අද තාක්ෂණයට ඇත. එලෙස කුඩාවට පරිපථ සාදන්නේ විශේෂ විද්යාගාර තුළ වන අතර, එය අප ඔබ සාමාන්යයෙන් භාවිතා කරන “පෑස්සුම්” ක්රම හා උපාංග යොදා ගනිමින් සිදු නොකෙරේ. වී ඇටයක් තරම් ඉඩකඩක් තුළ දස දහස් (හෝ ලක්ෂ) ගණනක් උපාංග සහිත පරිපථ සෑදීය හැකිය. මෙවැනි කුඩාවට සෑදූ පරිපථවලට තමයි සංගෘහිත පරිපථ කියා හඳුන්වන්නේ. නමින්ම කියවෙන පරිදි මෙම අයිසී එක තුළ කුඩා උපාංග (ලක්ෂ ගණනක්) “සංගෘහිතව” හෙවත් අඩංගුව පවතිනවා. ඉහත දැක්වූ 741 නම් අයිසී එක පහත දැක්වේ.
සත්ය ලෙසම ප්රායෝගිකව, රෙසිස්ටර්, කැප්ස්, ට්රාන්සිස්ටර් ආදිය ඉතා කුඩා (ක්ෂුද්ර) ප්රමාණයට නිපදවා, ඒවා එකිනෙකට සම්බන්ද කර මෙම අයිසී නිපදවන්නේ නැත. ඒ වෙනුවට සිදු වන්නේ ඉතා කුඩා අර්ධසන්නායක “ලෑල්ලක්”(substrate) එකක් මත අවශ්ය ඉලෙක්ට්රොනික උපාංග සහිත පරිපථය විශේෂිත අධිතාක්ෂණික උපකරණ මගින් “ඇඳීම” හෝ “ඇඹීමයි”. මෙය ඉතාම නිවැරදිවත්, ඉක්මනිනුත් කළ හැකිය. මේ අනුව, අයිසී එකක් යනුද ඩයෝඩය, ට්රාන්සිස්ටරය මෙන්ම අර්ධසන්නාය උපාංගයක් බව මතක තබා ගන්න.
උදාහරණයක් සලකා බලමු. ඔබට ඉතා හොඳ මට්ටමේ ශබ්ද වර්ධකයක් (audio amplifier) එකක් නිර්මාණය කිරීමට අවශ්ය යැයි සිතමු. එවිට, ඉහත (741) ආකාරයේ පරිපථයක් ඔබ සැලසුම් කළා යැයි සිතමු.
මෙවැනි පරිපථ නිතර නිතර වුවමනා වේ. එවැනි අවස්ථාවල, අයිසී නිපදවන කොම්පැනි සිදු කරන්නේ එවැනි නිතර නිතර අවශ්ය කරන පරිපථ සඳහා අයිසී නිපදවීමයි. එවිට, ඉහත පරිපථයම ඉතා කුඩාවට ඉහත රූපයෙන් දැක්වෙන පරිදි අයිසී එකක් බවට පත් කර ඇත.
අයිසී වල වැදගත්කම කුමක්ද? මා එහි ලක්ෂණ පහත එකින් එක දක්වන්නම්.
· පරිපථ ඉතා කුඩා වීම (ඔබේ ඇඟිලි තුඩක තබා ගත හැකි තරමේ අයිසී පරිපථයක් වෙන වෙනම කෑලි යොදා සාදන්නට ගියොත්, සමහර විට විශාල කෑම මේසයකට වඩා විශාල වේ.)
· ඉතා අඩුවෙන් විදුලිය වැය වේ. (මෙය ඉතා පැහැදිලිය. දෙයක් කුඩා වන විට, ඊට අවශ්ය කරන ශක්තියද අඩුය.) තාපය ලෙස ශක්තිය හානි වීමද ඊට සමානුපාතිකව විශාල වශයෙන් අඩු වේ.
· පරිපථය ක්රියා කරන වේගය වැඩිය. (විශාල වන විට විදුලියට ගමන් කිරීමට තිබෙන දුර ප්රමාණය වැඩිය. එහෙත් කුඩා වන විට ඉක්මනින් විදුලිය තැනින් තැනට ගමන් කළ හැකිය.)
· ඉලෙක්ට්රොනික් උපකරණ නිර්මාණය කිරීමට යන වියදම අඩු වීම. (උදාහරණයක් ලෙසට, වෙන වෙනම කෑලී යොදා සංකීර්ණ පරිපථයක් සෑදීමට ගියොත් අයිසී එකකට වඩා දස දහස් ගුණයක් දක්වා උපකරණය මිල අධික වනු ඇත.)
· එවිතරක් නොවේ, පරිපථයක් නිර්මාණය කිරීමට ගතවන කාලය ඉතා අඩු වීම. අයිසී එකක් පෑස්සීමට වැඩිම වුණොත් විනාඩි කිහිපයක් ගත විය හැකිය. එහෙත් එම අයිසී එකේ අඩංගු පරිපථය තනි තනි කෑලි යොදා සාදන්නට ගියොත්, සමහරවිට දවස් ගාණක් වුවද පාස්සමින් සිටීමට සිදු විය හැකිය.
· පරිපථ කුඩා වන විට, තව තවත් ඉලෙක්ට්රෝනික උපාංග යොදා ගෙන ඉතා සංකීර්ණ පරිපථ සෑදිය හැකිය. (පරිපථයක සංකීර්ණබව ප්රායෝගිකව බොහෝ විට තීරණය කරන්නේ එය සාදන්නට යන වියදම හා සෑදූ පසු එම උපකරණයේ විශාලත්වය මතය.)
මේ ආදී කරුණු නිසා අයිසී අද නැතිවම බැරි උපාංගයක් වී හමාරය. තාක්ෂණය දිනෙන් දින දියුණු වෙනවාත් සමගම අයිසී එකක අඩංගු කළ හැකි “තනි තනි උපාංග” (discrete devices) ගණනද දිනෙන් දින ඉහළ යයි. ඒ සමඟම නිෂ්පාදය වියදමද අඩු වේ. අයිසී තව තවත් කුඩා වේ. බොහෝ උපකරණ අද කුඩා වෙමින් “කෙට්ටු” (slim) වෙමින්, බර අඩු වෙමින්, වේගය හා සුපිරිබව වැඩි වෙමින් පවතින්නේ මෙම අයිසී තාක්ෂණ දියුණුව නිසාය. ඔබට මෙය පහසුවෙන් දැක ගන්නට පුළුවන් දැනට වසර කිහිපයකට පෙර ජංගම දුරකථනයකුයි නවීන ජංගම දුරකථනයකුයි සැසඳූ විට.
අයිසී එකකට අග්ර (මේවා “පින්” ලෙස සාමාන්ය ව්යවහාරයේ කියැවෙනවා.) විශාල ගණනක් පවතිනවා. අග්ර දෙකේ හෝ තුනේ සිට අග්ර සිය ගණනක් දක්වා වූ විවිධ අයිසී දක්නට ලැබෙනවා. අනෙක් උපාංග සේම, අයිසී එකක්ද වැඩ කිරීමට විදුලිය අවශ්ය වෙනවා. එමනිසා, එම පින්වලින් අනිවාර්යෙන්ම එක පින් එකක් පරිපථයේ සුදුසු වෝල්ටියතාවකින් යුතු + විදුලියටත්, තවත් පින් එකක් (පරිපථය සංවෘත වීම සඳහා) එම පරිපථයේම - විදුලියටත් සම්බන්ද කළ යුතුයි.
(සමහර අයිසී සඳහා එක විදුලි සැපයුමක් ප්රමාණවත් නැත. එවිට, අයිසී එකේ පින් කිහිපයකටම + හා - විදුලි සැපයිය යුතුය. තවත් අයිසී සඳහා +5V, +3.3V, -5V ආදී පෙස විවිධ අගයන්ගෙන් යුතු වෝල්ටියතාවන්ද ලබා දීමට සිදු වේ.)
අයිසී එකකට භාහිර පින් රාශියක් තිබෙන්නේ ඇයි යන ප්රශ්නය ඔබට ඇති වීමට පුලුවන්. දැනටමත් එක හේතුවක් ඔබ දන්නවා. එනම්, අයිසී එකට භාහිරින් විදුලිය සපයන්නේ මෙම පින් තුළිනි. ඊට අමතරව, අයිසී එකක් යනුද (උප)පරිපථයකි. එම පරිපථයට විදුලි සංඥා ඉන්පුට් කිරීමටද ඇති එකම ක්රමය මෙම pin වේ. එලෙසම, අයිසී එක තුළ ඉන්පුට් කරපු සිග්නල් එකට කළ යුතු දේවල් සිදු කර ඒවා අවුට්පුට් කිරීමට සිදුවන්නේද පින් හරහාය. ඒ විතරක්ද නොවේ. අයිසී එක තුළ ඇති පරිපථයේ සමහර විට කුඩාවට සෑදීමට නොහැකි උපාංග ඇති විටක, එම උපාංග අයිසී එකෙන් පිටතට වෙනම සවි කිරීමට හැකි පරිදි අයිසී නිර්මාණය කරන අය කටයුතු කරනවා. එවිට, පිටතින් සවි කරන එවැනි උපාංග අයිසී එක තුළ ඇති පරිපථය හා සම්බන්ද කරන්නේද මෙම පින් හරහාය. (ඉහළ අගයන් සහිත ධාරිත්රක, ඉහළ අගයන් සහිත ඉන්ඩක්ටර් වැනි උපාංග කුඩාවට සෑදීමට නොහැකිය. එවැනි අවස්ථාවක එම උපාංග අයිසී එකට පිටින් සවි කිරීමට සිදු වේ. අයිසී එක නිපදවන ආයතනය විසින්ම ඒවා ඔබට පවසනු ඇත. කුමන පින්වලට කුමන අගයන්ගෙන් යුතු උපාංග සවි කළ යුතුද යන්න රූප සටහන් සමගම ඔබට කියා දෙනු ඇත. එමනිසා, අයිසී ගැන දත යුතු සියලු දේ අයිසී එක සමග ලැබෙන තොරතුරු පත්රිකාවේ (datasheet) සඳහන් වේ.)
ඉහත රූපයේ දැක්වෙන්නේ (741 නම් අයිසී එකේ) එවැනි ඩේටාෂීට් එකක පිටුවකි. පෙර ඉගෙන ගත් රෙසිස්ටරය, ට්රාන්සිස්ටරය මෙන් නොව, අයිසී වලට සූත්ර පාඩම් කිරීමට නැත. විවිධ කොම්පැනි විසින් විවිධාකාරයේ ක්රියාකාරත්වයන් සහිති අයිසී නිපදවනවා. එම අයිසී එකේ ක්රියාකාරිත්වය හා එය පරිපථයකට සවි කළ යුත්තේ කෙසේද යන්න එම අයිසී නිපදවන ආයතන විසින්ම තොරතුරු පත්රිකාවක සඳහන් කරනවා. ප්රායෝගිකව ඔබ මිල දී ගන්නා සෑම අයිසී එකක් සමගම මෙම තොරතුරු පත්රිකා නොලැබේ. (එම තොරතුරු පත්රිකාව සමහර විට පිට ගණනාවක් සහිත කුඩා පොත් පිංචක් තරමට වේ.) ඊට හේතුව, අයිසී එකේ මිල වැඩි වීමට එය හේතුවක් විය හැකි අතර, සෑම අයිසී එකක් එක්කම තොරතුරු පත්රිකාව දීමම අනවශ්ය දෙයකි (උදාහරණයක් ලෙස, ඔබ එකම වර්ගයේ අයිසී ගොඩක් මිල දී ගන්නේ නම්, එය අපතේ යෑමකි.) එහෙත්, අවශ්ය කෙනෙකුට එම තොරතුරු පත්රිකා ලබා ගැනීමට (නොමිලේ හෝ යම් මුදලක් ගෙවා) හැකිය. අද අන්තර්ජාලය තුළින්ද මෙම සියලු තොරතුරු නොමිලේ ලබා ගත හැකිය. අදාල අයිසී එක නිපදවන ආයතනයේ වෙඩ් අඩවියට ගොස් එම තොරතුරු පත්රිකා ඩවුන්ලෝඩ් කරගත හැකිය. ඊට අමතරව, අයිසී වල මෙම තොරතුරු ලබා දීමම අරමුණු කරගත් වෙබ් අඩවිද ඇත. මේ ඕනෑම ක්රමයකින් අයිසී තොරතුරු ලබා ගැනීම ඉතාම පහසුය.
සටහන
සෑම උපාංගයක්ම එහි අගය හෝ ක්රියාකාරිත්වය කියාපාන යම් සංඛේත ක්රමයක් ඇත. ප්රතිරෝධකයක මූලිකවම කලර් කෝඩ් (color code) ක්රමයකින් එහි ඕම් අගය දක්වා තිබේ. කැපෑසිටරයක ෆැරඩ් අගයද මෙවැනි කලර් කෝඩ් ක්රමයකින් දක්වා ඇත. ඉන්ඩක්ටර්ද මෙවැනිම වර්ණ කේත ක්රමයක් භාවිතා කරයි.
සෑම උපාංගයක්ම එහි අගය හෝ ක්රියාකාරිත්වය කියාපාන යම් සංඛේත ක්රමයක් ඇත. ප්රතිරෝධකයක මූලිකවම කලර් කෝඩ් (color code) ක්රමයකින් එහි ඕම් අගය දක්වා තිබේ. කැපෑසිටරයක ෆැරඩ් අගයද මෙවැනි කලර් කෝඩ් ක්රමයකින් දක්වා ඇත. ඉන්ඩක්ටර්ද මෙවැනිම වර්ණ කේත ක්රමයක් භාවිතා කරයි.
කලර් කෝඩ් වලට අමතරව, සරල ක්රමයකට ඉලක්කම් මගින්ද ප්රතිරෝධක හා ධාරිත්රකවල අගයන් දක්වන ක්රමයක් ඇත. එම උපාංගවල අගයන් එම උපාංගවලම සටහන් කළ හැකිය.
ප්රතිරෝධක, ධාරිත්රක, ප්රේරක මෙන් නොව, ඩයෝඩ, ට්රාන්සිස්ටර්, අයිසී යනු සංකීර්ණ උපාංග වේ. ඒවායේ ක්රියාකාරිත්වය විවිධ අගයන් රාශියක් මත රඳා පවතී. එමනිසා, සරල කේතයකින් පමණක් එම අගයන් සියල්ලම උපකරණයේම සටහන් කිරීමට නොහැකි බව ඔබට තේරුම් යා යුතුය. එයට පිළියමක් ලෙස, මෙම සංකීර්ණ උපාංගවල ඇත්තේ යම් කිසි කේතයකි (code). එය ඉලක්කම් හා ඉංග්රිසි අකුරු කිහිපයකින් සෑදුණු කෝඩ් එකකි.
මෙම කේතය කියවීමෙන් පමණක් ඔබට වැඩි දෙයක් එම උපාංගය ගැන දැනගත නොහැකිය. මෙම කේත තිබෙන්නේ වෙනත් අරමුණක් ඇතිවය. එනම්, මෙවැනි සංකීර්ණ උපාංගවල දත්ත පිටස්තර ක්රමවලින් සොයා ගැනීමටයි මෙම කේත තිබෙන්නේ. මෙවැනි උපාංගවල විස්තර ඇතුලත් කරපු විශේෂ පොත් ඇත. මේවා දත්ත පොත් (data books) යනුවෙන් හැඳින්වෙනවා. මෙම ඩේටා පොත් හරියට අප ඉංග්රිසි ඉගෙන ගැනීමට භාවිතා කරන ඩික්ෂනරි වගේ. ඔබ නොදන්නා වචනයක් හමු වූ විට, වහම ඩික්ෂනරි එකකින් එම වචනයේ තේරුම බලා ගන්නවා. එලෙසම, මෙවැනි (ඩයෝඩ, ට්රාන්සිස්ටර්) උපාංගයක කේතය ඔබ මෙම දත්ත පොතකින් බලා එම උපාංගයේ විස්තර දැන ගන්නවා.
අද අන්තර්ජාලයට හැම කෙනාටම පහසුවෙන් පිවිසිය හැකි නිසා දත්ත පොත්වල අවශ්යතාව නැති වී තිබෙනවා. එනම්, ඉහත කේතය ඇතුලු කර පහසුවෙන්ම අන්තර්ජාලයෙන් එම උපාංගය ගැන ඕනෑ තරම් විස්තර ලබා ගත හැකියි. තවද, අන්තර්ජාල පහසුකම් නැති අයට පරිගණක ප්රෝග්රෑම් පවා තිබෙනවා මෙම දත්ත ලබා ගත හැකි. (උදාහරණයක් ලෙස, VRT යන ආයතනය මෙවැනි දැවැන්ත දත්ත ගබඩාවක් සහිත සොෆ්ට්වෙයාර් එකක් නිපදවා තිබෙනවා.) මෙවැනි සොෆ්ට්වෙයාර් එකකට උපාංගයක කේතය ඇතුලු කළ විට, අවශ්ය සියලු විස්තර ඔබට ලබා දෙනවා.
ඒ ඒ උපාංගවල දත්ත ප්රයෝජනයට ගෙන පරිපථ නිර්මාණය කරන විදිය මා පසුවට කියා දෙනවා.














































This comment has been removed by the author.
ReplyDeleteඅපේ ලංකාව වගේ මුලු මුලු ජාතියටම වටිනා වෙබ් අඩවියක් ඉදිරියටත් ඔබට ජයෙන් ජයම වේවා....
ReplyDelete:)
Deleteබොහොමත්ම ස්තුතියි ඔබට,ඉලෙක්ට්රොනික විද්යාව සම්බන්දව ලිපි බොහෝමයි අන්තර්ජාලයේ හැබැයි ලාංකිකයන්ට පහසුවෙන් තේරුම්ගත හැකි තමන්ගේ මව් බසින් ලියවුනු වෙබ් අඩවි,බ්ලොග් අඩවි ඉතාමත් අඩුයි.ඔබතුමා ඒ අඩුව සම්පූර්ණ කර තිබේ.
ReplyDelete:) ස්තූතියි...
Deleteමා විසින් එකලස් කල පරිපථයක සම්බන්ද ගැටළුවක් ඇත.උදව් කල හැකිද මට සිතෙන ආකාරයට මෙහි දෝශය ට්රාන්සිස්ටරය නිසි පරිදි නැඹුරු නොවීමයි.අදව් කල හැකිනම් ස්තුති වන්ත වෙමි.
Deleteමේ දවස්වල මා අධ්යාපනික දේවල් ලියන්නේ නැත (මාස කිහිපයක සිට)... දේශපාලන සත්වයෙක් වෙලා මේ දවස්වල... හාහා... කැමති නම් දාන්න...
Deleteදේශපාලිනක සත්වයෙක් ඒකත් අපූරුයි ........ හොදයි මම පරිපථය දාන්නම් ඊමේල් එකක් දෙන්න පුලුවන්ද?පරිපථ සටහන යොමු කරන්න
Delete