ප්රකාශ ඩයෝඩය (photo diode)
ඉහත දැක්වෙන්නේ මෙහි සංඛේතයයි. ප්රකාශ ඩයෝඩය (ෆොටෝ ඩයෝඩය) යනු ආලෝකයට සංවේදී ඩයෝඩයකි. මෙවැනි ඩයෝඩ සෑදීමට ගන්නා අර්ධසන්නායක ද්රව්ය ආලෝකයට වැඩිපුර සංවේදී වේ. එනම්, එම ද්රව්ය මතට ආලෝකය වැටුණු විට ඉලෙක්ට්රෝන-සිඳුරු ඇති වේ (තාපය නිසා ඉලෙක්ට්රෝන-සිඳුරු යුගල අැති වූ ලෙසම). පහත දැක්වෙන්නේ ප්රකාශ ඩයෝඩ කිහිපයකි.
ඇත්තටම
ඕනෑම පීඑන් සන්ධියක්
ආලෝකයට/විද්යුත්චුම්භක
කිරණවලට සංවේදී වේ (සාමාන්ය
ඩයෝඩ හා ට්රාන්සිස්ටර් පවා).
එහෙත්
පීඑන් සන්ධි සහිත සාමාන්ය
ඩයෝඩ හා ට්රාන්සිස්ටර් ආදී
උපාංගවල සන්ධිය කිරණවලට
නිරාවරණය නොවන සේ කලු පාට දැඩි
ප්ලාස්ටික් ද්රව්යකින්
වසා තිබෙනවා (කේසිං
එක). දැන්
කිරණ සන්ධිය මතට නොවැටෙන නිසා
මෙම උපාංග ප්රකාශ ඩයෝඩ මෙන්
ක්රියා කරන්නේ නැත (එසේ
ක්රියා කළා නම් පරිපථ
සම්පූර්ණයෙන්ම අවුල් වී යාවි).
එහෙත්
අධිසංඛ්යාත කිරණවලට ප්ලාස්ටික්
ආදී ද්රව්ය පවා විනිවිද
යෑමේ හැකියාවක් තිබෙනවා (ඒකනෙ
x කිරණ
සම හරහාත් විනිවිද යන්නෙ).
මෙවැනි
අධිසංඛ්යාත කිරණවලට නිරාවරණය
වූවොත් නම් තරමක ප්රශ්නයක්
වේවි. පරිපථ
අවුල් වී විශාල ව්යසනයන්
පවා සිදුවිය හැකියි (රෝහලක
ඇති වෛද්ය උපකරණ,
ගුවන්
යානා, විශාල
යන්ත්රවල ආදියෙහි පරිපථ
අවුල් වූ විට සිදු විය හැකි
දේවල් සිතා බලන්න).
තවද,
LED වල භාහිර
ආවරණය වීදුරු වැනි විනිවිද
යන ද්රව්යවලින් සාදා තිබෙන
බැවින්,
එල්ඊඩීය
මතට ආලෝකය වැටෙන විට එහි අග්ර
දෙකෙහි විදුලියක් ජනිත වෙන
එක වැලැක්විය නොහැකිය (එනම්
බල්බය ප්රකාශ ඩයෝඩයක් ලෙස
ක්රියා කරයි).
ප්රකාශ
ඩයෝඩයක් නැති හදිසි අවස්ථාවක
එල්ඊඩීයක් යෙදිය හැකියි නේද?
ඊටත්
අමතරව වෙනත් භාවිතයන් ගැන
නිර්මාණශීලීව සිතා බලන්න.
සෑම
සන්ධියක්ම විද්යුත්චුම්භක
කිරණවලට එකම ආකාරයේ සංවේදිතාවක්
දක්වන්නේ නැත.
යොදා
ගන්නා අර්ධසන්නායක ද්රව්ය
මත මෙම ප්රතිචාරය වෙනස් වේ.
සමහරක්
අර්ධසන්නායක අධෝරක්ත කලාපයට
වැඩි සංවේදිතාවක් තිබේ.
සමහර
අර්ධසන්නායක ද්රව්ය
දෘෂ්යාලෝකයට වැඩි සංවේදිතාවක්
දක්වයි.
සමහරක්
පාරජම්බූල කලාපයට සංවේදී වේ.
විද්යුත්චුම්භක
කිරණවල යම් තරංග ආයාමයකට හෝ
ආයාම පරාසයකට මෙලෙස විශේෂ
සංවේදිතාවක් දැක්වීම,
එම
අර්ධසන්නායක ද්රව්යයේ
වර්ණාවලි සංවේදිතාව (spectral
sensitivity) ලෙස
හැඳින්විය හැකියි.
(වර්ණාවලිය/ස්පෙක්ට්රම්
යනු විද්යුත්චුම්භක කිරණ
පරාසයට පොදුවේ කියන නම වන අතර,
ස්පෙක්ට්රල්
යන්නට "එම
ස්පෙක්ට්රම් එකට අදාළ/අයිති"
යන තේරුම
ඇත.)
උෂ්ණත්වය
වැඩි වන විට,
වර්ණාවලි
සංවේදිතාවේ වෙනස් වීමක් ඇති
වේ. එනම්
සාමාන්යයෙන් ෆොටෝඩයෝඩයක්
විශාල වර්ණාවලි පරාසයකට
සංවේදිතාව දැක්වුවත්,
විවිධ
තරංග ආයාමයන්ට දක්වන්නේ විවිධ
වර්ණාවලි සංවේදිතාවකි.
එහෙත්
උෂ්ණත්වය වැඩි වන විට,
මෙම
සංවේදීතාව දිගු තරංග ආයාමය
දෙසට (එනම්
දේදුන්නේ පාට පිළිවෙලින්
ආපස්සට;
එනම් රතු
හා අධෝරක්ත පැත්තට)
බර වේ.
උදාහරණයක්
ලෙස තැඹිලි පාටට උපරිම සංවේදිතාවක්
දක්වපු ඩයෝඩය උෂ්ණත්වය වැඩි
වීම නිසා,
රතු පාටට
උපරිම සංවේදීතාව පෙන්වනු ඇත.
ඉහත
ස්පෙක්ට්රල් සෙන්සිටිවිටි
නිසා, සන්ධිය
තුළ යම් කුඩා විදුලි ධාරාවක්
ජනනය වෙනවා.
මෙම ධාරාව
ආලෝකය (විද්යුත්චුම්භක
කිරණ) නිසා
ජනිත වූවක් නිසා,
ප්රකාශ
විද්යුත් ධාරාව (photocurrent)
ලෙස
හඳුන්වනවා.
මෙලෙස
ෆොටෝකරන්ට් එකක් ජනිත වීමට
ආලෝකය සන්ධිය මතට වැටීම
අවශ්යයි;
ඒ කියන්නේ
ආලෝක ශක්තිය තමයි විදුලි
ශක්තියක් බවට පරිවර්තනය වෙලා
තියෙන්නේ.
මෙලෙස
වැටෙන ආලෝකයේ ශක්තිය හා ඉන්
ජනිත වන විදුලි ශක්තිය මැන
මෙම ශක්ති පරිවර්තනයේ කාර්යක්ෂමතාව
අවශ්ය නම් මැනිය හැකියි නේද
(විදුලි
ශක්තිය /
ආලෝක
ශක්තිය)?
ඔව්.
එහෙත් ඒ
වෙනුවට සාමාන්යයෙන් කරන්නේ
ජනිත වන ප්රකාශ විද්යුත්
ධාරාව (IPD),
ආලෝක
ශක්තියෙන් (P)
බෙදීමයි.
එවිට
ලැබෙන රාශිය ප්රකාශ ඩයෝඩයේ
Responsivity ලෙස
හඳුන්වනවා.
සන්ධිය
(ඩයෝඩය)
එක් එක්
තරංග ආයාමයන්ට විවිධ මට්ටම්වලින්
සංවේදී වන නිසා,
ඉහත
සූත්රයෙන් ගණනය කරන්නේ "අහවල්
තරංග ආයාමයකින් යුතු විද්යුත්චුම්භක
කිරණවලට"
දක්වන
රෙස්පොන්සිවිටි එකයි.
එම ඩයෝඩයම
වෙනත් තරංග ආයාමයකට වෙනත්
රෙස්පොන්සිවිට් එකක් දක්වාවි.
පහත
දැක්වෙන්නේ ප්රකාශ ඩයෝඩ
දෙකක වර්ණාවලි සංවේදිතාව
පෙන්වන ප්රසාථාර දෙකකි
(ඩයෝඩයෙන්
ඩයෝඩයට හැඩය වෙනස් වන බව වටහ
ගන්න).
ප්රකාශ
ඩයෝඩයත් බොහෝ සෙයින් සූර්යකෝෂයකට
සමානය.
සූර්යකෝෂයක
සිදු වන්නෙත් විද්යුත්චුම්භක
කිරන විදුලි ධාරාවක් බවට පත්
කිරීමයි.
එහෙත්
මේ දෙකෙහි යම් වෙනස්කමක්ද
ඇත. සූර්යකෝෂයේ
මුඛ්ය පරමාර්ථය වැඩිපුර
විදුලියක් ජනිත කිරීමයි.
එනිසා
පීඑන් සන්ධිය තරමක් විශාල
වේ. එහෙත්
සන්ධිය එසේ විශාල වන විට,
එහි වේගය
මන්දගාමි වේ.
එනිසා
ප්රකාශ ඩයෝඩවල සන්ධිය කුඩාය.
සූර්යකෝෂයකදී
ආලෝකය සන්ධිය මතට සංකේන්ද්රණය
කිරීමේ උපක්රම (කාච)
ආදිය
යොදාගන්නවා.
ඊට අමතරව
සූර්යාලෝකය එහි වැදී පරාවර්තනය
වීම වැලැක්වීමට අඳුරු පැහැයට
හුරු ආලේපන ආලේප කර තිබෙනවා
(ඒකයි
සූර්යකෝෂ කලු/නිල්/අඳුරු
පැහැයෙන් දිස්වන්නේ).
එලෙසම
ප්රකාශ ඩයෝඩද කාච සහිතව
පැවතිය හැකියි.
එවිට
ඩයෝඩයේ සංවේදිතාව වැඩි වේ.
ප්රකාශ
ඩයෝඩයක ක්රියාකාරිත්වය
කෙටියෙන් බලමු.
එය පීඑන්
සන්ධියකි.
එනිසා
බයස් කර නොමැති විට හායිත
පෙදෙසක් ඇති වේ.
මෙම හායිත
පෙදෙසට ආලෝකය වැටුණු විට ඉන්
ඉලෙක්ට්රෝන-සිඳුරු
යුගලවල් ඇති වේ.
එවිට,
හායිත
පෙදෙස හරහා වැටී තිබෙන බැරියර්
වෝල්ටියතාව නිසා,
සිඳුරු
හා ඉලෙක්ට්රෝන දෙපැත්තට
වෙන්වේ.
මෙය විදුලි
ධාරාවක් ගලා යෑමකට සමාන කළ
හැකියි.
ඔව් මෙය
තමයි ප්රකාශ විද්යුත් ධාරාව
කියන්නේ.
සූර්යකෝෂයක
සිදු වූයෙත් මෙයයි.
ඇත්තටම
ප්රධාන ආකාර තුනකින් සාමාන්යයෙන්
ප්රකාශ ඩයෝඩ සාදනවා.
1.
සාමාන්ය
පීඑන් සන්ධි සහිත ප්රකාශ
ඩයෝඩ (normal/PN
photodiode)
2. PIN ප්රකාශ ඩයෝඩ (තවම පින් ඩයෝඩ ගැන අප කතා කර නොමැත; පසුවට ඒ ගැන ඇත)
3. ඇවලාන්ෂ් ප්රකාශ ඩයෝඩ (ඇවලාන්ෂ් ආචරණය යොදා ගනී රෙස්පොන්සිවිටි වැඩි කිරීමට) (Avalanche Photo Diode - APD)
පින්
ප්රකාශ ඩයෝඩ තරමක් වේගවත්ය
(පින්
ක්රමයට සාදන මොන ඩයෝඩයත්
කොහොමත් වේගවත්;
ඒ ගැන
පසුවට විස්තර ඇත).
ඊට අමතරව
රෙස්පොන්සිවිටි (එනම්
වැටෙන ආලෝකයට සාපේක්ෂව විශාල
ප්රකාශ ධාරාවක් නිපදවීම)
එකද වැඩිය.
ඊට හේතුව
පින් ඩයෝඩයක හායිත පෙදෙස ඉතා
විශාල වීමයි.
ඇවලාන්ෂ්
ප්රකාශ ඩයෝඩවලද රෙස්පොන්සිවිටි
ඉතා වැඩිය.
ඊට හේතුව
ඔබට සිතා ගත හැකියිනෙ.
ආලෝකය
වැටී ඉලෙක්ට්රෝන-සිඳුරු
ඇතිවී එම ඉලෙක්ට්රෝන ගමන්
කර තවත් ඉලෙක්ට්රෝන මුදා
හරින නිසා,
කුඩා ආලෝක
ප්රමාණයකින් විශාල ධාරාවක්
ඉන් ජනිත කරගත හැකියි.
එනම්,
ඇවලාන්ෂ්
ප්රකාශ ඩයෝඩ ඇවලාන්ෂ් ආචරණය
යොදා ගන්නවා.
ආලෝකය
වැටුණහම ජනිත වන ප්රකාශ
ධාරාවට අමතරව තවත් ඉතාම කුඩා
විදුලි ධාරාවක් ප්රකාශ ඩයෝඩ
තුළ තිබිය හැකියි.
ආලෝකය
නැති විටත් මෙම ධාරාව තිබෙනවා.
මෙය කාන්දු
ධාරාවක් (leak
current) වන
අතර, “අඳුරු
විදුලි ධාරාව"
(dark current) ලෙස
එය නම් කෙරෙනවා.
ඩයෝඩයේ
සුලුතර වාහකවලිනුයි මෙම ධාරාව
සමන්විත වන්නේ (ඒකනෙ
මීට ලීක් ධාරාව කියා කිව
හැක්කෙත්).
මෙම ධාරාව
කරදරයකි.
ප්රකාශ
ඩයෝඩය යනු ආලෝකයට සංවේදී
උපාංගයක් ලෙස ප්රයෝජනයට
ගන්නකි.
ඉතිං
අලෝකය ඇති හා නැති යන අවස්ථා
දෙකෙහිම මෙම ධාරාව පවතී නම්,
ඉන් ඇති
ප්රයෝජනයක් නැහැනෙ.
හොරෙක්
එන විට හා හොරෙක් නැතිව නිකනුත්
බුරන බල්ලෙක් සිටී නම්,
ඒ බල්ලගෙන්
හොරුන් ඇතුලු වූ වග දැනගත
නොහැකියිනෙ.
අන්න ඒ
වගෙයි අඳුරු ධාරාව ආලෝකය ඇති
විටයි නැති විටයි දෙකේදීම
ගලනවා නම්,
ආලෝකය
ඇති නැති බව අඳුරු ධාරාවෙන්
දැන ගත නොහැකියි.
ඒ වෙනුවට
මෙම කාන්දු ධාරාව පරිපථයට
ඝෝෂාවක් පමණක් එකතු කරනවා.
උෂ්ණත්වය
වැඩි වන විට මෙම අඳුරු ධාරාවද
වැඩි වෙනවා (ඕනෑම
පීඑන් සන්ධියකට මෙම උෂ්ණත්වය
මත කාන්දු ධාරාව වැඩි වීම
පොදුය).
අඳුරු
විට අඳුරු ධාරාවක් ඇති වූයේ
කෙසේදැයි ඔබ විමසනු ඇත.
ඊට හේතුව
අඳුරු පරිසරයක් යනු මිනිස්
අැසට සංවේදී විද්යුත්චුම්භක
කිරණ අවශ්ය ප්රමාණයට නොමැති
පරිසරයකි.
එහෙත්
මිනිස් ඇසට සංවේදී නොවන අධෝරක්ත,
පාරජම්බූල
ආදී කිරණ නිරන්තරයෙන්ම පරිසරයේ
තිබේ.
පරිසරයේ
ඕනෑම රශ්නයක් සහිත අජීවි හා
සජීවි දෑවලින් අධෝරක්ත පිට
කෙරේ (ඔබේ
ශරීරයෙන් පවා).
මෙය
කිසිසේත් වැලැක්විය නොහැකිය.
මෙවැනි
පරිසරයේ නිරන්තරයෙන් තිබෙන
විකිරණයට පසුබිම් විකිරණය
(background
radiation) කියා
කියනවා.
අඳුරු
ධාරාවට හේතුව මෙම පසුබිම්
විකිරණයයි.
සටහන
රස්නයක්
හෙවත් උෂ්ණත්වයක් සහිත ඕනෑම
වස්තුවකින් අධෝරක්ත කිරණ පිට
කළ හැකියි.
එවිට
ප්රශ්නය වන්නේ එසේ කිරණ
පිටවීමට තිබිය යුතු අවම උෂ්ණත්වය
කොපමණ විය යුතුද යන්නය.
ඔබට සිතෙනු
ඇති එය සෙල්සියස් 0
වෙන්න
ඇති කියා.
නැත.
සෙල්සියස්
පරිමාණය යනු ජලය අයිස් බවට
පත් වන උෂ්ණත්වය 0
ලෙසද,
ජලය රත්
වී වාෂ්ප බවට පත්වන උෂ්ණ්තවය
100 ලෙසද
ගෙන, එම
උෂ්ණත්වය පරාසය 0
සිට 100
දක්වා
කොටස් 100කට
බෙදා ඇති අපේ කැමැත්තට සාදා
ගත් මිනුම් දණ්ඩකි.
මෙතැන
"අපේ
කැමැත්ත"
යැයි
කීවත් මෙය ඇත්තටම සෙල්සියස්
නම් විද්යාඥයාගේ කැමැත්තට
පළමු වරට ඇති වූවකි;
පසුව අපත්
ඊට අනුගත වූවා පමණි.
මෙම ඒකකය
සෙල්සියස් නමින් හඳුන්වන්නේද
එම විද්යාඥයාට ගෞරව පිණිසය.
සෙන්ටිග්රේඩ්
යන නමද ඊට යොදනවා මොකද 0
සිට 100
දක්වා
සමාන කොටස් 100ක්
අයිස් වන උෂ්ණත්වය හා වාෂ්ප
වන උෂ්ණත්වය අතර පවතින නිසා
(centi යනු
100 යන
තේරුමද grade
යනු
මට්ටම/ලෙවල්
එක යන තේරුමද සහිතයි).
සෙල්සියස්
වැනිම තවත් ඒකකයක් නම් තමයි
ෆැරන්හයිට්.
එයත් අපේ
අභිමතය අනුව සෑදුවකි.
විද්යාත්මක
පදනමකින් සකස් කළ උෂ්ණත්වය
මනින එකම ඒකකය කෙල්වින් වේ.
කෙල්වින්
ඒකකයෙන් කියනු ලබන උෂ්ණත්වය
"නිරපේක්ෂ
උෂ්ණත්වය"
(absolute temperature) ලෙස
හැඳින්වෙනවා.
විශ්වයේ
තිබිය හැකි අවම උෂ්ණත්වය
කෙල්වින් 0
වේ (දළ
වශයෙන් එය සෙල්සියස් -273
කි).
යම්
වස්තුවක් කෙල්වින් 0
හි පවතී
නම් පමණක් එම වස්තුවට කිසිදු
උෂ්ණත්වයක් නැතැයි පැවසිය
හැකියි.
එහෙත්
මෙම අවම උෂ්ණත්වය ලබා ගැනීමට
ප්රායෝගිකව බැරිය.
ලේසර්
කූලිං නම් ක්රමය මඟින් මෙම
අවම කෙල්වින් 0
උෂ්ණත්වයට
ඉතාම ඉතා ළඟ උෂ්ණත්වයක්
පර්යේෂණාගාර තුළ ලබා ගෙන ඇත.
සාමාන්ය
පරිසරයේදී හා සාමාන්ය ජීවිතයේදී
නම් කිසිම විටක නිරපේක්ෂ
උෂ්ණත්වය 0
සහිත
දේවල් හමු වන්නේ නැත.
කෙල්වින්
අගය අඩු වන විට,
ද්රව්යවල
සමහර භෞතික ගුණද අමුතු වේ.
උදාහරණයක්
ලෙස,
සාමාන්යයෙන්
කිසිසේත් විදුලිය ගමන් නොකරන
පරිවාරක ද්රව්ය පවා සුපිරි
සන්නායක බවට පත් වේ (ඒකනේ
දැනටත් සියලු සුපිරිසන්නායක
ඉතාම අඩු උෂ්ණත්ව යටතේ පැවතිය
යුත්තේ).
එහෙත්
මෙහිදී අපට වැදගත් වන්නේ,
යම් වස්තුවක
උෂ්ණත්වය කෙල්වින් 0ට
වඩා වැඩි නම් එම වස්තුවෙන්
අධෝරක්ත කිරණ පිට විය හැකියි
යන කාරණයයි.
තාපය ගමන්
කරන ක්රම තුනෙන් එකක් වන්නේ
විකිරණය බව ඔබ ඉගෙන තිබෙනවා
නේද? මෙම
විකිරණ තමයි අධෝරක්ත කිරණ.
ඒ
අනුව විශ්වයේ සෑම තැනකම යම්
හෝ උෂ්ණත්වයක් තිබෙනවා.
විශේෂයෙන්
පෘථිවියේ සෑම බිම් අඟලකම හා
පරමාණුවකම යම් හෝ උෂ්ණත්වයක්
තිබෙනවා.
ඒ කියන්නේ
ඒ සෑම තැනකින්ම අධෝරක්ත කිරණ
පිට විය හැකියි.
මෙම අධෝරක්ත
විකිරණය තමයි පසුබිම් අධෝරක්ත
විකිරණය ලෙස හැඳින් වූයේ.
අධෝරක්ත
විකිරණය පවතින්නාක් සේම,
අපේ පොලොව
මත විවිධ හේතු නිසා පාරජම්බූල
කිරණද නිරන්තරයෙන්ම පැවතිය
හැකියි (විශේෂයෙන්
සූර්යාලෝකය නිසා).
එවිට එය
පසුබිම් පාරජම්බූල විකිරණය
ලෙස නම් කළ හැකියි.
එලෙසම,
දෘෂ්යාලෝකයද
පරිසරය තුළ විසිරී පැවතිය
හැකියි අපේ ඇසට එය නොදැනෙන
තරම් දුර්වල මට්ටමින්.
සූර්යාලෝකය,
සඳ එලිය,
තරු එලිය,
බල්බ
එලිය,
කනාමැදිරියන්
වැනි සතුන්ගෙන් පිටවන එලිය,
හතු වැනි
ශාකවලින්/ක්ෂුද්ර
ජීවින්ගෙන් පිට වෙන ආලෝකය
ආදී ලෙස විවිධාකාරයෙන් මෙම
ආලෝකය පරිසරය තුල විහිදී යයි
(සඳ
හෝ හිරු නැති රාත්රියේ පවා
ඔබට එලිමහනේ තිබෙන දේවල්
ඡායාවන් සේ පෙනෙන්නේ තරු එලිය
නිසාය).
තවද,
මේ පොලොව
මත සෑම තැනකම න්යෂ්ඨික විකිරණයද
පවතිනවා.
එය පසුබිම්
න්යෂ්ඨික විකිරණය ලෙස නම්
කළ හැකියි.
ඉතිං
මේ ආදී ලෙස පසුබිම් විකිරණ
වර්ග රාශියක් තිබෙනවා.
ඉහත කතා
කළ දෘෂ්යාලෝකය,
පාරජම්බූල,
අධෝරක්ත,
න්යෂ්ඨික
ආදී පසුබිම් විකිරණ සියල්ලටම
ප්රකාශ ඩයෝඩයක් සංවේදී විය
හැකියි.
ඒ කියන්නේ
ප්රකාශ ඩයෝඩයක් හැමවිටම මෙම
පසුබිම් විකරණ නිසා කාන්දු
ධාරාවක් නිපදවනවා.
ප්රකාශ
ඩයෝඩවල ක්රියාකාරිත්වය බොහෝ
සෙයින් රේඛීය වේ.
මෙහි ඇති
එක් වාසියක් වන්නේ එයයි (ඔබට
මතක ඇති LDR
නම් ආලෝකයට
සංවේදී උපාංගය එතරම් රේඛීය
ක්රියාකාරිත්වයක් පෙන්නුවේ
නැති බව).
එනම්,
ඩයෝඩය
මතට වැටෙන ආලෝක දීප්තිය වැඩි
වන විට,
ඉන් ජනිත
වන ප්රකාශ ධාරාවද රේඛීයව
වැඩි වෙනවා.
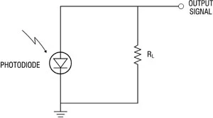
ප්රකාශ ඩයෝඩයක් ආකාර දෙකකින් පරිපථයකට සම්බන්ධ කළ හැකියි. තවද, ප්රකාශ ඩයෝඩයක් කිසි කලක පෙර නැඹුරු වන සේ යොදන්නේ නැත.
1.
photo-voltaic mode - මෙහිදී
පෙර හෝ පසු නැඹුරු කිසිවක්
නොමැත (No
bias). ආලෝකය
වැටීම නිසා යම් විදුලි ධාරාවක්
ඇති වෙනවානෙ.
මෙම ධාරාව
කෙලින්ම පරිපථයට ලබා ගන්නවා.
ඒ කියන්නේ
මෙය හරියට සූර්යකෝෂයක් සේයි
භාවිතා කර තිබෙන්නේ.
එනිසයි
මීට ෆොටෝවොල්ටයික් ආකාරය යන
නම ලැබී තිබෙන්නෙත් (සූර්යකෝෂයට
ෆොටෝවෝල්ටයික් සෙල් කියා
කියනවා).
මෙම
ක්රමය යෝග්යයි ආලෝකය වැටුණහම
විශාල ධාරාවක් ජනිත කරවන
ප්රකාශ ඩයෝඩ සඳහා (ඇවලාන්ෂ්
ප්රකාශ ඩයෝඩ).
සාමාන්ය
පීඑන් සන්ධි ප්රකාශ ඩයෝඩවල
එතරම් ධාරාවක් ජනිත වන්නෙ
නැහැ. එහෙත්
එම ඩයෝඩවල පවා වැඩිපුර ධාරාවක්
ජනිත කළ හැකියි සන්ධිය විශාල
කිරීමෙන්.
එවිට,
උපාංගය
ස්ලෝ (මන්දගාමි)
වෙනවා.
මෙම ක්රමයට
සම්බන්ධ කිරීමේ ඇති ප්රධානතම
වාසිය නම්,
අඳුරු
ධාරාවක් නොතිබීමයි.
2.
photo-conductive mode - මෙහිදී
ප්රකාශ ඩයෝඩය පසු නැඹුරු වන
සේ සවි කළ යුතුයි.
ඉහත ක්රමය
යොදාගත නොහැකියිනෙ කුඩා
ප්රකාශ ධාරාවක් ලැබෙන ඩයෝඩ
සඳහා. එවිට
මෙම ක්රමය යොදා ගත හැකියි.
මෙහි
නමෙහිම කියන පරිදි ආලෝකය
වැටුණහම ඩයෝඩය තුළ ඇති වන
සන්නායකතාව වෙනස් වීමයි
ප්රයෝජනයට ගන්නේ.
ආලෝකය
වැටුණහම එහි වැඩිපුර
ඉලෙක්ට්රෝන-සිඳුරු
ඇති වේ. ඒ
කියන්නේ ප්රතිරෝධකතාව අඩු
වීමයි (සන්නායකතාව
වැඩි වීමයි).
හරියට
LDR එකක්
වගෙයි.
සෙන්සර්
මේ ආකාරයට විභව බෙදුම් පරිපථයක්
සේ සකස් කරන විදිය මීට පෙර
විස්තරාත්මකව අප කතා කර තිබෙනවා.
මෙම ක්රමයට
ප්රකාශ ඩයෝඩයක් යොදා ගන්නා
විට, පහත
රූපයේ ආකාරයට ප්රකාශ ඩයෝඩ
ලාක්ෂණික ප්රස්ථාරයක් ලැබේ.
මෙම
ප්රස්ථාරය සාමාන්ය (ඕනෑම)
ඩයෝඩයක
ලාක්ෂණික ප්රස්ථාරයම තමයි.
ඩයෝඩය
පසු නැඹුරේ පමණක් යොදා ගන්නා
නිසා, පෙර
නැඹුරු කොටස (එනම්
x අක්ෂයේ
ධන කොටස)
ඉවත් කර
පසු නැඹුරු කොටස (x
අක්ෂයේ
ඍණ කොටස)
දක්වා
තිබෙනවා.
මෙම
ප්රස්ථාරය විග්රහ කරමු.
අලෝක
මට්ටම 0
දිත් ඉතා
කුඩා අඳුරු ධාරාවක් ගලා යයි
(dark current ලෙස
ලියා ඇති වක්රය).
දැන් ආලෝක
මට්ටම 1000
lux දක්වා
තිබෙන විට,
තරමක ඉහල
ධාරාවක් ගලා යනවා.
ආලෝක
මට්ටම වැඩි වන්නට වන්නට මෙම
ධාරා මට්ටමද ඉහල යනවා.
එහෙත්
බලන්න, පසු
නැඹුරුව ක්රමයෙන් වැඩි කරගෙන
ගියද ධාරාවට ඉන් ඇති කරන බලපෑම
නැතිතරම්ය (එනම්
ධාරාව වැඩි නොවේ).
පසු නැඹුරු
වෝල්ටියතාවෙන් ගලන ධාරාවට
බලපෑමක් නැති නිසානෙ ප්රස්ථාර
වක්ර දළ වශයෙන් තිරස් රේඛා
ලෙස පවතින්නේ (ප්රස්ථාර
බලා කියවා තේරුම් ගන්න පුරුදු
විය යුතුය).
දළ
වශයෙන් එතරම් පෙනෙන වෙනසක්
ඇති නොවූවත්,
පසු නැඹුරුව
වැඩි වන විට ඉහත ප්රස්ථාරය
තව තවත් රේඛීය වෙනවා (එය
වාසියකි).
තවද,
ඩයෝඩයට
සම්බන්ධ කෙරෙන ලෝඩ් රෙසිස්ටන්ස්
එක අඩු වන විටත්,
රේඛීය
බව වැඩි වෙනවා.
එහෙත්
මෙම ක්රමයේ ඇති ප්රධානතම
අවාසිය නම් අඳුරු ධාරාව
පැවතීමයි.
පසුනැඹුරුව
වැඩි වන තරමට ඕනෑම ඩයෝඩයක මෙන්
ප්රකාශ ඩයෝඩයේද සුලුතර වාහකවල
ක්රියාකාරිත්වය ඉහල යන නිසා,
අඳුරු
ධාරාව වැඩියෙන් ජනිත වෙනවා.
ඕනෑම
පීඑන් සන්ධියක සන්ධි ධාරිතාවක්
තිබෙනවානෙ.
ඉතිං
පීඑන් ප්රකාශ ඩයෝඩයකත් යම්
සන්ධි ධාරිතාවක් තිබෙනවා.
මෙම සන්ධි
ධාරිතාව අඩු වෙනවා පසු නැඹුරුවේ
වෝල්ටියතාව වැඩි කරන විට (ඊට
හේතුව හායිත පෙදෙස පුලුල්
වීම නිසා ආරෝපණ තැටි දෙක අතර
දුර වැඩි වීමයි).
සන්ධි
ධාරිතාව නිසා ඩයෝඩයක් මන්දගාමී
වෙනවා.
එනිසා
සන්ධි ධාරිතාව අඩු වීමෙන්
ඩයෝඩය වේගවත් වෙනවා.
එනිසා
ප්රකාශ ඩයෝඩය පසු නැඹුරු
කිරීමෙන් එය වේගවත් වෙනවා.
ප්රකාශ
ඩයෝඩයක් භාවිතා කිරීමේදී
සැලකිල්ලට ගත යුතු පරාමිතින්
(parameters)
කිහිපයක්
තිබෙනවා.
(පරාමිතින්
හි තේරුම සැලකිල්ලට ගත යුතු
වැදගත් සාධක යන්නයි.)
1.
responsivity - එක්
එක් ඩයෝඩයන් විවිධ තරංග ආයාමයන්ට
දක්වන සංවේදිතාව වෙනස්ය.
සාමාන්යයෙන්
ඩයෝඩ විස්තර/දත්ත
සටහනේ (datasheet)
මෙම අගය
දක්වා තිබෙන්නේ උපරිම
රෙස්පොන්සිවිටි අගය ලබා දෙන
තරංග ආයාමයට සාපේක්ෂවයි.
උදාහරණයක්
ලෙස, යම්
ප්රකාශ ඩයෝඩයක මෙම අගය 0.28
A/W @ 450nm ලෙස
දක්වා තිබේවි.
ඒ කියන්නේ
නැනෝමීටර් 450දී
මෙම ප්රකාශ ඩයෝඩයේ උපරිම
රෙස්පොන්සිවිටි අගය වන 0.28
තිබෙනවා.
මේ ඩේටාෂීට්
එකේම සමහරවිට එය සංවේදීවන
මුලු තරංග ආයාම පරාසයම පෙන්වන
ප්රස්ථාරයක්ද තිබිය හැකියි
(ඉහතදී
එවැනි ප්රස්ථාරයක් පෙන්වා
තිබේ).
2.
dark current - මෙම
අගයෙන් කියන්නේ ප්රකාශ ඩයෝඩය
හරහා ගලන අඳුරු ධාරාවයි.
සාමාන්යයෙන්
යම් නැඹුරු වෝල්ටියතාවකදී
මෙම අගය කොපමණ වේද යන්න තමයි
සටහන් කර තිබෙන්නේ.
උදාහරණයක්
ලෙස, 0.2nA @
VR=10V ආදී
ලෙස එය සටහන් කර දක්වා තිබේ.
එනම්,
පසු නැඹුරු
වෝල්ටියතාව වෝල්ට් 10කදී
අඳුරු ධාරාව නැනෝඇම්පියර්
0.2 ක්
කියා මෙම ප්රකාශයෙන් කියැවේ.
සාමාන්යයෙන්
අඳුරු ධාරාව පවතින්නේ නැනෝඇම්පියර්
ප්රමාණයේය.
පසුනැඹුරු
වෝල්ටියතාව වෙනස් වන විට මෙම
අගය විචලනය වන අතර,
එම විචලනය
පෙන්වන ප්රස්ථාරයක්ද බොහෝවිට
දත්ත සටහනේ තිබේවි (ඉහත
එවැනි ප්රස්ථාරයක් ඇත).
3.
capacitance – මෙය
සන්ධියේ අැති ධාරිතාවයි.
මෙම අගයද
දක්වන්නේ යම් පසුනැඹුරු
වෝල්ටියතා අගයකට සාපේක්ෂවයි.
උදාහරණයක්
ලෙස, 0.5pF @
VR=10V යනු
පසුනැඹුරුව වෝල්ට් 10
වන විට,
සන්ධි
ධාරිතාව පිකෝෆැරඩ් භාගයකි.
පසුනැඹුරු
වෝල්ටියතාව විචලනය වන විට,
මෙම
කැපෑසිටන්ස් එක වෙනස් වන නිසා,
එම වෙනස්
වීම පෙන්වන ප්රස්ථාරයක්ද
බොහෝ විට දත්ත සටහනේ තිබේවි
(එවැනි
ප්රස්ථාරයක් ඉහත ඇත).
4.
reverse breakdown voltage (හෙවත්
PIV) - ඕනෑම
ඩයෝඩයකට සිදු වන්නාක් සේම
ප්රකාශ ඩයෝඩයද පසුනැඹුරු
කරන විට යම් අවස්ථාවකදී ඩයෝඩය
පිලිස්සී යයි.
මීට
අමතරව තවත් වැදගත් දත්ත තිබිය
හැකියි.
උපාංගය
තිබිය යුතු උෂ්ණත්ව පරාසය
ඉන් එක් දත්තයකි.
තවද,
එක් එක්
ඩයෝඩ වර්ගය සංවේදී වන තරංග
ආයාම පරාසය වෙනස්ය.
එනිසා
තමන්ගේ අවශ්යතාවේ හැටියට
(එනම්
තමන්ට අවශ්ය තරංග ආයාමයට
උපරිම සංවේදිතාවක් පෙන්වන)
ප්රකාශ
ඩයෝඩයක් යෙදීමට වග බලා ගත
යුතුය.
උදාහරණයක්
ලෙස වැඩිපුර රතු ආලෝකය ඇති
අවස්ථාවක,
නිල්
ආලෝකය වැඩි සංවේදිතාවක්
(රෙස්පොන්සිවිටි)
තිබෙන
ප්රකාශ ඩයෝඩයක් නොයොදන්න.
සටහන
උපාංගවල
දත්ත සටහනේ දත්ත ලබා දෙන ආකාර
කිහිපයක් ඇත.
ඉන් එකක්
නම්, ප්රස්ථාර
ක්රමයයි.
එනම්,
යම් පරාසයක්
පුරාවට යම් රාශියක් විචලනය
වීම මෙහි දැක්වේ.
ඇත්තටම
මෙහි ප්රයෝජනය වැඩිය.
ඔබට අවශ්ය
ඕනෑම අගයකදී සිදු වන්නේ
කුමක්දැයි දළ වශයෙන් සිතා ගත
හැකියි.
උදාහරණයක්
ලෙස පහත ප්රස්ථාර දෙක බලන්න.
එහි තරංග
ආයාම පරාසකට අදාලව රෙස්පොන්සිවිටි
නම් රාශිය විචලනය වන්නේ කෙසේදැයි
පහසුවෙන් බැලිය හැකියි නේද?
මෙම
ප්රස්ථාර දෙක ඩයෝඩ දෙකකට
අයිතිය.
ප්රස්ථාර
දෙක බලපු ගමන් එම උපාංග දෙකෙහි
ක්රියාකාරිත්වය ඔබට දැනෙනවා
නේද?
ප්රස්ථාරවල
(හෝ
වෙනත් රූපමය නිරූපණවල)
වාසිය
එයයි; එනම්
එකවර තොරතුරු කන්දරාවක් මොලයට
යනවා.
දෙවැනි
ක්රමය ඉතාම සරලය.
එහිදී
යම් දත්තයක් නිකංම තනි ඉලක්කමක්
ලෙස දක්වනවා.
එහිදී
එක්කෝ එම අගය විචලනය නොවේ
(එනම්
නියත අගයකි).
ඒ කියන්නේ
ප්රස්ථාරයක මෙන් අගයන්
පරාසයක් පුරා විචලනය වන්නක්
නොවේ.
නැතහොත්
ප්රස්ථාරයක මෙන් අගයන්
පරාසයක් පුරාම විචලනය වුවත්,
එම පරාසයෙන්
එක් නිශ්චිත අගයක් පමණක්
දක්වනවා.
එය බොහෝවිට
එම මුලු පරාසය වෙනුවෙන්ම
දැක්විය හැකි දර්ශීය අගයක්
(මධ්යන්ය
අගයක්).
උදාහරණයක්
ලෙස, යම්
ප්රකාශ ඩයෝඩයක රෙස්පොන්සිවිටි
එක ඉහත වැනි ප්රස්ථාරයකින්
දක්වන්නේ නැතිව 0.28
A/W @ 450nm ලෙස
දැක්විය හැකියි.
මෙම
ක්රමයෙන් යම් තොරතුරක් ලබා
දීමට නිෂ්පාදකයාට පහසු වුවත්,
ප්රස්ථාරය
තරම් ප්රයෝජනයක් මෙම උපාංගය
පරිහරණය කරන කෙනාට නොලැබේ.
තුන්වැනි
ක්රමයක්ද ඇත.
එහිදී
ඉහත දෙවැනි ක්රමයේදී මෙන්
එක් අගයක් වෙනුවට අගයන් තුනක්ම
යම් රාශියක් සඳහා ලබා දේ.
එම අගයන්
තුන පිළිවෙලින් අවම අගය
(minimum), සාමාන්ය
අගය (typical),
හා උපරිම
අගය (maximum)
වේ.
උදාහරණයක්
ලෙස, යම්
ප්රකාශ ඩයෝඩයක රෙස්පෙන්සිවිටි
නම් රාශිය සඳහා පහත ආකාරයට
එම අගයන් සටහන් කරාවි.
| Responsivity @ 632nm |
min | typical | max |
|---|---|---|---|
| 0.35A/W | 0.4A/W | 0.55A/W |
මෙම
ක්රමය දෙවැනි ක්රමයට වඩා
හොඳයි. අවම
හා උපරිම අගයන් දෙක අතර ඕනෑම
අගයක් ගත හැකි වුවත්,
සාමාන්යයෙන්
ඔබ භාවිතා කළ යුත්තේ ටිපිකල්
අගයයි.
උපාංගවල
ඩේටාෂීට් කියවීමට පුරුදුවන්න.
ඉලෙක්ට්රෝනික්ස් (electronics) ...
ඉලෙක්ට්රෝනික්ස් (electronics) ...











🤘
ReplyDelete