ඒ අනුව ඩයෝඩයක් මූලිකව භාවිතා කරන්නේ ඒසී විදුලියක් ඩීසී කිරීමටයි. ඊට අමතරව ඩයෝඩය සතු තවත් ගතිගුණද ප්රයෝජනයට ගත හැකියි (මෙවිට ඩයෝඩය භාවිතා වෙන්නේ ඒසී සංඥාවක් ඩීසී කිරීමේ අරමුණින් නොවේ). ඩයෝඩයේ අරේඛීය හැසිරීම ප්රයෝජනයට ගත හැකියි (මොහොතකින් මේ ගැන විස්තර කෙරේ). ඩයෝඩය හරහා ධාරාව කොතරම් ගියත් නියත 0.7ක වෝල්ටියතාවක් ඩ්රොප් කර ගැනීම ට්රාන්සිස්ටර් හා වෙනත් පරිපථ නිර්මාණයේදී ප්රයෝජනයට ගන්නවා (ට්රාන්සිස්ටර් බයස් කිරීමට, ක්ලිපිං පරිපථ සෑදීමට). මීටත් අමතරව, විශේෂ හැකියාවන් සහිත ඩයෝඩ (ආලෝකය නිකුත් කරන ඩයෝඩ, ආලෝකයට සංවේදී ඩයෝඩ ආදි) නිපදවා තිබෙනවා. දැන් අපි ඩයෝඩවල භාවිතාවන් ගැන සොයා බලමු. කූරු සහිතව මෙන්ම SMD ක්රමයටත් ඩයෝඩ මිලදී ගත හැකියි.
Diode Specification/Parameters
පොදුවේ ඩයෝඩයක පහත දැක්වෙන ප්රධාන ගතිගුණ ගැන සැලකිලිමත් විය යුතුයි. diode specification හෝ diode parameters ලෙස මෙම ගතිගුණ ලැයිස්තුව නම් කළ හැකියි.
1. ඩයෝඩ
වර්ගය (සිලිකන්ද
ජර්මේනියම්ද එහෙමත් නැතිනම්
වෙනත් ද්රව්යයක්ද යන වග)
2. ඩයෝඩය පෙර නැඹුරු කළ හැකි උපරිම වෝල්ටියතාව – VF (මීට වඩා වැඩි අගයක වෝල්ටියතාවකින් ඩයෝඩය පෙර නැඹුරු කළොත් ඩයෝඩය විනාශ වේ.)
3. ඩයෝඩය පෙර නැඹුරුවේදී ගලා යා හැකි උපරිම ධාරාව – IF (මීට වඩා වැඩි ධාරාවක් ගැලුවොත් ඩයෝඩය විනාශ වේ.)
4. කුළු පසු වෝල්ටියතාව – PIV (ඩයෝඩයක් පසු නැඹුරු කළ හැකි උපරිම වෝල්ටියතාව)
5. කාන්දු ධාරාව – IS (මෙය ඩයෝඩය සාදා තිබෙන ද්රව්ය මත මූලිකව රඳා පවතින්නකි.)
6. ඩයෝඩ සන්ධි ධාරිතාව
7. reverse recovery time
සන්ධි ධාරිතාව (Junction Capacitance)
ඩයෝඩ සන්ධියේ ධාරිතාව යනු කුමක්ද? ඔබ දන්නවා එක ළඟින් ධන හා ඍණ ලෙස ආරෝපණ වෙන් වෙන්ව පවතින විට එතැන අනිවාර්යෙන්ම ධාරිත්රක ස්වභාවයක් ගන්නවා (එනම්, එතැන ධාරිත්රකයක් ඉබේම සෑදෙනවා). ඉතිං ඩයෝඩයකත් මෙලෙස ආරෝපණ වෙන් වෙනවා නේද එය පසු නැඹුරු කර තිබෙන විට? පසු නැඹුරුවේදී සන්ධිය හායිත පෙදෙසක් (එනම් පරිවාරකයක්) බවට පත් වී, ඒ දෙපස ඉලෙක්ට්රෝන හා සිඳුරු කඳවුරු බැඳ ගන්නවා. එවිට ඩයෝඩය තුළ ඩයෝඩයට සමාන්තරව ධාරිත්රකයක් පවතිනවා යැයි කිව හැකියි (පහත රූපය).මෙය ඉතාම අහිතකර තත්වයකි. ඩයෝඩය එක් පැත්තකට පමණක් විදුලියක් ගමන් කිරීමට හැකි උපකරණයක් ලෙසයි විරුදාවලිය ලබා තිබෙන්නේ. එහෙත් ඉහත පැහැදිලි කළ ආකාරයට ඩයෝඩය තුළම ඊට සමාන්තරව කැප් එකක් නිර්මාණය වන විට, ඉන් කියන්නේ එම කැප් එක හරහා හොඳින් ඒසී (විදුලිය හෝ සංඥා) ගමන් කළ හැකියි කියාය. එනම් ඩයෝඩ ක්රියාකාරිත්වයට එය මරු පහරකි.
එහෙත් වාසනාවකට මෙන් එම සන්ධි ධාරිතාව ඉතාම කුඩාය. ඒ කියන්නේ XC = 1/2πfC සූත්රයට අගයන් ආදේශ කළ විට, C ඉතාම කුඩා නිසා ප්රතිබාදක අගය ඉතා විශාල වේ. එවිට, ධාරිත්රකය හරහා ඒසී තරංගයට ගමන් කිරීමට දුෂ්කර වෙනවා. කොතරම් දුෂ්කර වෙනවාද කියතොත්, සාමාන්ය භාවිතයේදී ඒසී තරංග ගමන් කරන්නේ නැතැයි සලකනවා.
එහෙත් විවිධාකාරයෙන් ඩයෝඩ සාදන නිසා, සමහර ඩයෝඩවල මෙම ධාරිතාව තරමක් ඉහල යා හැකියි (ඒ කියන්නේ ඔබ උත්සහ කරන්නට ඕන හැකි පමණ අවම සන්ධි ධාරිතා අගයක් සහිත ඩයෝඩ මිල දී ගැනීමට).
තවද, ඉහත සූත්රය අනුවම, ඒසී තරංයේ සංඛ්යාතය වැඩි වන විට, ප්රතිබාධකය අඩු වේ. ඒ කියන්නේ ඉහල සංඛ්යාතවලදී ඩයෝඩයේ මෙම ධාරිතාව ගොඩක් කරදර කරන්නට පුලුවන්. එවැනි අධිසංඛ්යාත සංඥා යන මාර්ගවල ඩයෝඩ යොදන විට, ඒ සඳහාම නිපදවූ ඉතාම අඩු ධාරිතාවක් පෙන්නුම් කරන ඩයෝඩ යෙදිය යුතුය.
සන්ධි ධාරිතාව සාමාන්යයෙන් වදයක් වුවද, වේරිකැප් නමින් ඩයෝඩ වර්ගයක් නිපදවා තිබෙනවා සන්ධි ධාරිතාව ප්රයෝජනවත් වැඩකට යොදා ගන්නා. මේ ගැන මොහොතකින් විස්තර කෙරෙනවා.
Reverse Recovery Time
ඩයෝඩයක් පෙර නැඹුරුවේදී විදුලිය ගමන් කරන බවද, පසු නැඹුරු කළ විට විදුලිය ගමන් නොකරන බවද ඔබ දන්නවා. එහෙත් මෙහිදී වෙනත් සංසිද්ධියක්ද සිදු වේ. එනම්, පෙර නැඹුරුවේ සිට පසු නැඹුරුවට යන විට, ඩයෝඩය ඉතාම කෙටි කාලයක් සඳහා විදුලිය ගමන් කරවනවා. මෙම ධාරාව ගලන්නේ පෙර නැඹුරු ධාරාවට විරුද්ධ දිශාවටයි (එනම් පසු නැඹුරු වෝල්ටියතාවේ දිශාව ඔස්සේය). පහත රූපයේ ඩයෝඩ වර්ග දෙකක රිවර්ස් රිකවරි පෙන්නුම් කරනවා. එකක් සෙමින් රිකවර් (ශූන්ය මට්ටමට පත්වීම) වේ (soft/slow recovery). එලෙසම අනෙක තරමක වේගයෙන් රිකවර් වේ (abrupt/fast recovery).මෙම ධාරාව ගලන්නේ ඉතාම කෙටි කාලයක් තුළ පමණි. එය නැනෝතත්පර කිහිපයක සිට මයික්රොතත්පර කිහිපයක් දක්වා පරාසයක පවතී. මෙම රිකවරි කාල පරාසය තුළ, පවර් රෙක්ටිෆයර් තමයි වැඩි කාලයක් රිකවර් වෙන්නට ලබා ගන්නේ. සාමාන්ය සිග්නල් ඩයෝඩවල රිකවරි කාලය මීට වඩා තරමක් අඩුය. රිකවරි කාලය අඩු ඩයෝඩ fast recovery diode ලෙස හැඳින්වේ. මේවා switching diode ලෙසද හැඳින්විය හැකියි. මීටත් වඩා අඩු රිකවරි කාලයක් සහිත ඩයෝඩ very fast recovery diode ලෙස හැඳින්වේ. මේවා fast switching diode ලෙසද හැඳින්වේ. මීට අමතරව ෂොට්කි ඩයෝඩවල රිකවරි කාලය 0 වේ.
මෙවැනි රිකවරි කාලයක් පැවතීමට ඇත්තේ සරල හේතුවකි. ඩයෝඩය පෙර නැඹුරු කර ඇති විට එහි හායිත පෙදෙස සම්පූර්ණයෙන්ම අහෝසි වී තිබේ. මෙවිට ඉලෙක්ට්රෝන හා සිඳුරු ඩයෝඩය පුරා දළ වශයෙන් ඒකාකාරව පැතිර පවතිනවා. එහෙත් එය එකවර පසු නැඹුරු කළ විට, සුපුරුදු ලෙස හායිත පෙදෙසක් ඇති වේ. ඔබ දන්නවා එහිදී සන්ධිය අවට ඉලෙක්ට්රෝන හා සිඳුරු එකිනෙකට කැපී යනවා (recombination). මෙම කැපී යාම නිසාමනෙ සන්ධිය අවට හායිත පෙදෙස බිහි වෙන්නෙත්. ඉතිං මෙම ක්රියාවලිය සිදුවීමට යම් කාලයක් ගත වෙනවා. එම කාලය තමයි රිවර්ස් රිකවරි ටයිම් ලෙස හැඳින්වෙන්නේ. මෙම සිද්ධිය සාදයකට උපමා කළ හැකියි. සාදය පවතින කාලය තුළ ක්රියාකාරිත්වය ඉතාම ඉහලය. එහෙත් සාදය අවසන් කළ ගමන්ම එම ඝෝෂාව හා ක්රියාකාරිත්වය නවතින්නේ නැහැනෙ. ඒ සඳහා ටික කාලයක් ගනී.
ඩයෝඩයක කුමන හෝ ප්රමාණයකින් රිකවරි කාලයක් තිබේ නම්, මෙම කාලය තවත් සාධක දෙකක් මත වෙනස් වේ. ඩයෝඩය පෙර නැඹුරු කළ වෝල්ටියතාව (VF) වැඩි නම්, රිකවරි කාලයද වැඩි වේ. උදාහරණයක් ලෙස, යම් ඩයෝඩයක් වෝල්ට් 5කින් පෙර නැඹුරු කළ විට රිකවරි කාලය මයික්රොතත්පර 10 නම්, එම ඩයෝඩයම වෝල්ට් 7කින් පෙර නැඹුරු කළ විට රිකවරි කාලය මයික්රොතත්පර 15ක් විය හැකිය. පෙර නැඹුරු වෝල්ටියතාව වැඩියි යනු වැඩිපුර ආරෝපණ වාහක (ඉලෙක්ට්රෝන හා සිඳුරු) ඩයෝඩය තුළ පවතිනවා යන්නයි. ඉතිං වැඩිපුර ආරෝපණ තිබෙන විටක, පසු නැඹුරු කළ පසු එම වැඩිපුර ඇති සිඳුරු හා ඉලෙක්ට්රෝන එකිනෙකට උදාසීන වීමට වැඩි කාලයක් ගත වෙනවා නේද? සාදයේ උපමාවම ගතහොත් මෙය හරියට සාදය තුලදී ගොඩක් අරක්කු බොන්නට සැලැස්සුවා සේය. ඉතිං සාදය තුල මත්ව ඇති පිරිසේ මත් ගතිය වැඩි තරමට සාදය අවසන් වුවත්, ඔවුන් නවත්වන්නට බොහෝ වෙලාවක් යනවා.
දෙවැනි සාධකය නම්, ඩයෝඩය පසු නැඹුරු කර ඇති වෝල්ටියතාවයි. ඒ කියන්නේ ඩයෝඩයේ පසු නැඹුරු වෝල්ටියතාව වැඩි විට, රිකවරි කාලය අඩු වේ. මෙයත් සිතා ගත හැකියි පහසුවෙන්. පසු නැඹුරු වෝල්ටියතාව වැඩියි යනු හායිත පෙදෙස ඉක්මනින් සෑදීමට උදව් කිරීමකි. එම උදව්ව නිසා ඉක්මනින් සිඳුරු හා ඉලෙක්ට්රෝන එකිනෙකට උදාසීන වෙනවා.
ඩයෝඩයකින් ඒසී විදුලියක් ඩීසී කරනවා යැයි පවසන විට, එම ගුණය ඍජුවම පාවිච්චි කරනවා අවස්ථා දෙකකදී. එකක් නම් ඒසී විදුලිය විදුලිබලයක් (electricity) ලෙස භාවිතා කරන අවස්ථාව හා අනෙක නම් ඒසී විදුලිය ඒසී සංඥාවක් (electric signal) ලෙස භාවිතා කරන අවස්ථාවයි. විදුලිබලයක් සහිත අවස්ථාවේදී භාවිතා වෙන ඩයෝඩය ඍජුකාරක ඩයෝඩය (rectifying diode) හෝ ඍජුකාරකය (rectifier) ලෙස හැඳින්වෙන අතර, සංඥාවක් සහිත අවස්ථාවකදී භාවිතා වන ඩයෝඩය සංඥා ඩයෝඩය (signal diode) ලෙස හැඳින්වෙනවා.
රෙක්ටිෆයර් හා විදුලිය ඍජුකරණය
ඔබ දන්නවා අපට ලැබෙන මේන්ස් විදුලිය ඒසී බව. මෙම ඒසී විදුලියෙන් බොහෝ විදුලි උපකරණ ක්රියාත්මක කිරීමට පෙර මෙම ඒසී විදුලිය ඩීසී විදුලියක් බවට පත් කර ගත යුතු වෙනවා. මෙම ක්රියාව විදුලිය ඍජුකරණය (rectification) ලෙස හැඳින්වෙනවා. ඍජුකරණය කිරීමට යොදා ගන්නා ඉලෙක්ට්රොනික උපාංගය තමයි රෙක්ටිෆයරය (ඩයෝඩය). කුඩා විදුලිබලයක සිට අතිවිශාල විදුලිබලයක් දක්වා පරාසයක් සඳහා රෙක්ටිෆයර් නිපදවා තිබෙනවා (සපෝට් කරන විදුලිබල ශක්තිය වැඩි වන විට, රෙක්ටිෆයරයද විශාල වේ). විශාල විදුලිබලයක් ඍජුකරණය කරන විට, එවැනි බලසම්පන්න ඍජුකාරක ඩයෝඩ ජව ඩයෝඩ (power diode) ලෙසද හැඳින්වෙනවා. ඍජුකරණ ක්රම කිහිපයක් ඇත.පහත රූපයේ ආකාරයට එක් රෙක්ටිෆයරයක් සවි කළ විට විදුලිය රූපයේ දක්වා ඇති පරිදිම ඍජුකරණය වෙනවා. මෙහිදී ඒසී තරංගයේ එක් අර්ධයක් සම්පූර්ණයෙන්ම කැපී යනවා. ඩයෝඩය සවි කරන පැත්ත අනුව එලෙස කැපී යන්නේ ඒසී තරංගයේ උඩ (ධන) අර්ධගෝලයද යට (ඍණ) අර්ධගෝලයද යන්න තීරණය වෙනවා. මෙය අර්ධ තරංග ඍජුකරණය (half-wave rectification) ලෙස හැඳින්වේ.
මෙම ක්රමය තමයි සරලතම හා ලාභතම ඍජුකරණ ක්රමය. එලෙසම නරකම ඍජුකරණ ක්රමයත් මෙයයි. ඊට හේතුව රූපය බැලුවත් පෙනෙනවා. එනම්, ඩයෝඩය විසින් ඒසී විදුලිබල ශක්තියෙන් හරි අඩක්ම කපා හරින නිසා, අවසානයේ ප්රයෝජනයට ගැනෙන්නේ සැපයුම් විදුලියෙන් භාගයකි. මෙය එක්තරා විදියක නාස්තියකි. අර්ධ තරංග ඍජුකරණයේදී ලැබෙන ඩීසී විදුලියේ "තඩි වලවල්" හෙවත් "ගැස්සිල්ල" ඇත (එනම් විචලනය ඉතාම අධිකය). මෙම දෝෂ දෙකම මඟ හැරීමට නම් කරන්නට තිබෙන්නේ සැපයුම් ඒසී විදුලියේ අර්ධගෝල දෙකම අවුට්පුට් කිරීම නේද? එය පහත රූපයේ දැක්වේ. මෙම ක්රමය පූර්ණ තරංග ඍජුකරණය (full-wave rectification) වේ.
ඇත්තටම පූර්ණ තරංග ඍජුකරණ ක්රම දෙකක් ඇත. මෙම ක්රමය තමයි වැඩිපුරම භාවිතා කෙරෙන්නේ. සේතු ඍජුකරණය (bridge rectification) යන නම මෙම ක්රමයට යොදනවා.
මෙවිට රෙක්ටිෆයර් 4ක් පෙන්වා ඇති ලෙසටම සම්බන්ධ කළ යුතුය. රෙක්ටිෆයර් එතරම් මිල නොවන උපාංගයක් නිසා, හැම අතින්ම අර්ධ තරංග ඍජුකරණයට වඩා පූර්ණ තරංග ඍජුකරණය වටිනවා. තරංග අර්ධ දෙකම අවුට්පුට් කරන නිසා එය පූර්ණ තරංග ඍජුකරණය ලෙස නම් කෙරෙනවා. එහි ප්රතිපලයක් ලෙස විදුලියේ විචලනය විශාල ලෙස අඩුය. විදුලි තරංගයේ එක් අර්ධයක් රතු ඊතලවලින් යන මාර්ගය ඔස්සේද, අනෙක් අර්ධය නිල් ඊතලවලින් යන මාර්ගය ඔස්සේද ගමන් කරනවා. අංක ඔස්සේ ගමන් කරන්න.
බ්රිජ් ක්රමයේදී රෙක්ටිෆයර් 4ක් තිබුණත් එක් අර්ධයකදී හැමවිටම ඩයෝඩ 2ක් හරහා පමණයි විදුලිය ගමන් කරන්නේ (ඉහත රූපය බලන්න). උදාහරණයක් ලෙස, රතු පාටින් නිරූපණය කරන අර්ධය B හා D යන ඩයෝඩ දෙක හරහා පමණි ගමන් කරන්නේ.
අර්ධ තරංග ඍජුකරණයේදී ඉන්පුට් වෝල්ටියතාවෙන් 0.7 ක වෝල්ට් ප්රමාණයක් ඩයෝඩය විසින් රඳවා ගන්නා අතර, බ්රිජ් ක්රමයේදී එවැනි වෝල්ටියතා දෙකක් හෙවත් 1.4ක වෝල්ට් ප්රමාණයක් රෙක්ටිෆයර් සඳහා රඳවා ගන්නවා. 6 වෝල්ට් හෝ එවැනි කුඩා ඒසී විදුලියන් ඍජුකරණය කරන විට මෙම 0.7 හෝ 1.4 වැනි කුඩා වෝල්ටියතා අඩුවීමක් වුවද ප්රශ්නයක් වීමට පුලුවන්. මෙය මඟ හැරීමට තිබෙන එකම ක්රමය ඔබට වෝල්ට් 6ක ඩීසී විදුලියක් අවශ්ය නම්, ඒසී විදුලිය වෝල්ට් 8ක් වත් වන සේ ගත යුතුය. ඇත්තටම පවර් රෙග්යුලේටර් භාවිතා කරන්නටත් සිතනවා නම්, ඒ සඳහාද යම් වැඩිපුර වෝල්ට් ගණනක් වෙන් කළ යුතු වෙනවා. උදාහරණයක් ලෙස, වෝල්ට් 6 ක ඩීසී විදුලියක් අවශ්ය විට, වෝල්ට් 9කවත් ඒසී විභවයක් තිබිය යුතුයි (එනම් වෝල්ට් 9ක් අවුට්පුට් කරන ට්රාන්ස්ෆෝමරයක් භාවිතා කළ යුතුයි).
ඍජුකරණය කරන විදුලිබලයේ විශාලත්වයට ගැලපෙන රෙක්ටිෆයර් හැමවිටම යෙදිය යුතුය. සාමාන්යයෙන් විදුලිබලයේ සංඛ්යාතය ඉතා කුඩාය (හර්ට්ස් 50, 60 වැනි). එනිසා ඉහතදී ඩයෝඩ සන්ධියේ ධාරිතාව යන සාධකය රෙක්ටිෆයර් සඳහා කිසිසේත් ගණන් ගන්නේ නැත (මෙම ධාරිතාව කරදරයක් බවට පත් වන්නේ අධිසංඛ්යාතයන් සඳහා බව මුලදී පෙන්වා දුන්නා). එහෙත් IF, PIV යන සාධක 2 රෙක්ටිෆයර් සඳහා ඉතාම වැදගත් වේ.
ඔබ ඍජුකරණයෙන් පසු බලාපොරොත්තු වන ධාරා ප්රමාණයක් තිබෙනවානෙ. මෙන්න මෙම ධාරා ප්රමාණයට සමාන හෝ ඊට වැඩි අගයක් වන ලෙස IF තෝරාගත යුතුයි.
IF තීරණය කිරීම ඉහත පෙන්වා දුන් පරිදි ඉතාම සරල වුවත්, PIV අගය එකවර එලෙස සරලව තීරණය කළ නොහැකි වන්නට හැකියි. ඊට හේතුව මෙයයි. යොදා ගන්නේ අර්ධ තරංග ඍජුකරණයද, පූර්ණ තරංග ඍජුකරණයද යන්න මත හා ඍජුකරණයට පසුව ධාරිත්රක යොදා සුමටකරණය සිදු කරනවාද නැද්ද යන්න මත PIV අගය තීරණය වේ (සුමටකරණය ගැන දෙවැනි පොතෙන් ඉගෙන ගෙන තිබෙනවා). එහෙත් එක දෙයක් ස්ථිරවම කිව හැකියි. එනම්, ඕනෑම අවස්ථාවකට පොදුවේ භාවිතා කරන්නට පුලුවන් PIV අගයක් තිබෙනවා. එය ඍජුකරණය කරන්නට හදන ඒසී විදුලියේ කුලු අගය (VP) මෙන් දෙගුණයකි. ඒ කියන්නේ ඔබ මිලදී ගන්නා ඩයෝඩවල PIV අගය ඒසී කුලු අගය මෙන් දෙගුණයක් නම්, කුමන ඍජුකරණ ක්රමය භාවිතා කළත්, සුමටකරණය කළත් නොකළත් කිසිම ගැටලුවක් ඇති නොවේ.
ඇත්තටම PIV අගය තීරණය කරන සරල පැහැදිලි ක්රමවේදයක් තිබේ. ඕනෑම වර්ගයක ඍජුකරණයේදී යොදාගෙන තිබෙන ඩයෝඩයක් එක් විදුලි තරංගයක් තුළදී අවශ්යයෙන්ම එක්වරක් පසු නැඹුරුවට පත් වේ. මෙලෙස පසු නැඹුරු වන විට, අදාල ඩයෝඩයේ දෙපස කොතරම් උපරිම වෝල්ට් ගණනක් පවතීද යන්නයි බැලිය යුත්තේ. අර්ධ තරංග ඍජුකරණ පරිපථය (a) බලන්න. මෙහිදී පසුනැඹුරුවේදී ඩයෝඩය දෙපස Vp ට සමාන වෝල්ටියතාවක් තමයි උපරිමව පිහිටන්නේ (ඇනෝඩයේ -Vp ද කැතෝඩයේ 0 ද වශයෙන්). ඒ කියන්නේ අර්ධ තරංග ඍජුකරණයේදී ඩයෝඩයේ PIV අගය Vp ට සමාන වේ.
දැන් b බලන්න. මෙහිදී අර්ධ තරංග ඍජුකරණය සමග ධාරිත්රක සුමටකරණය සිදු කර ඇත. එවිට තත්වය විග්රහ කර බලමු. පෙර නැඹුරුවේදී සාමාන්ය පරිදි ලෝඩ් එකට විදුලිය ගමන් කරන අතරම සුමටකරණ ධාරිත්රකය චාජ් වේ උපරිම වෝල්ටියතා අගය දක්වා (එනම්, Vp දක්වා). දැන් තරංගයේ අනෙක් අර්ධයට පැමිණෙන විට, ඩයෝඩය පසු නැඹුරු වේ. සාමාන්යයෙන් (එනම් ධාරිත්රකය නොතිබ්බා නම්) මෙවිට ඩයෝඩය හරහා Vp ට සමාන වෝල්ටියතාවක් පිහිටිය යුතුයිනෙ (ඉහත a අවස්ථාව). ඒ කියන්නේ මේ අවස්ථාවේදී කැතෝඩයේ 0 ද අනෝඩයේ -Vp ද පවතී. එහෙත් දැන් මීට අමතරව චාජ් වී ඇති කැප් එකේද දළ වශයෙන් Vp වෝල්ටියතාවක් පවතී. මෙන්න මෙම කැප් එකේ Vp අගයත් දැන් එකතු වී තමයි ඩයෝඩය පසු නැඹුරු කරන්නේ. ඒ කියන්නේ දැන් Vp අගය මෙන් දෙගුණයක පසු නැඹුරු වෝල්ටියතාවක් ඩයෝඩයට දැනෙනවා (Vp - (-Vp) = Vp + Vp = 2Vp).
සත්ය වශයෙන්ම පසු නැඹුරු අවස්ථාවේදී කැප් එක එම පසු නැඹුරු කාලය පුරාම එක සේ Vp අගයේම නොපවතී. පෙර නැඹුරු අවස්ථාවේදී එම තරංග අර්ධයේ උපරිමය දක්වා කැප් එක චාජ්වී, එම අර්ධ තරංගයේ "බහින කලාවේදි" ක්රමයෙන් කැප් එකේ අගයද බසී. එවිතරක්ද නොවේ, පසු නැඹුරුවේදී "වල පුරවන්නේද" කැප් එකේ චාජ් එකෙන්ය. එවිට කැප් එක තවදුරටත් ඩිස්චාජ් වේ. එහෙත්, අප සුමටකරණ කැප් එකක අගය තීරණය කරන්නේ කැප් එකෙන් යම් ප්රතිශතයක් දක්වා ඩිස්චාජ් වන ලෙසනෙ (මේ ගැන දෙවැනි පොතේ විස්තර කෙරිණි). පහත රූපයේ රවුම් කර තිබෙන්නේ මෙලෙස යාන්තමට ඩිස්චාජ් වන හැටියි. ඉතිං දළ වශයෙන් මෙම කුඩා ඩිස්චාජ්වීම අප නොසලකා හරිනවා. කැප් එක Vp දක්වා චාජ්ව පවතිනවා යනුවෙන් සලකනවා.
මෙලෙසම තර්ක කර සුමටකරණ ධාරිත්රක සහිතව හා රහිතව බ්රිජ් ඍජුකාරක අවස්ථාවලදී තිබිය යුතු PIV අගයන් ගණනය කළ හැකියි දැන්. එහිදී සුමටකරණය නොමැති බ්රිජ් ක්රමයේදී ඩයෝඩයක PIV අගය Vp අගයට සමානයි. සුමටකරණ ධාරිත්රකයක් යොදා ඇති විටද PIV අගය Vp මෙන් දෙගුණයකි.
බ්රිජ් ඍජුකරණයේදී ඩයෝඩ 4ක් හැමවිටම යෙදෙන බැවින්, මේ සඳහාම තනි උපාංගයක් ලෙස සේතු ඍජුකාරකය (bridge rectifier) නමින් උපාංගයක් සාදා තිබෙනවා එම ඩයෝඩ 4ම එකම පැකේජය තුළ සාදමින්. මේ නිසා වියදමද අඩු වන අතර, පරිපථවලට යොදන විට පහසුවක් හා ඉඩ අඩුවෙන් වැයවීමක්ද සිදු වන නිසා හැම අතින්ම මෙය වාසිදායකය.
එකම පැකේජය (කේසිං එක) තුළ තිබෙන නිසා උෂ්ණත්වය වැඩි වූ විට එම ඩයෝඩ 4ටම එක ලෙස එය බලපානවා. ඒ කියන්නේ උෂ්ණත්වය හෝ එවැනි පාරිසරික සාධක ඩයෝඩ 4ටම බලපාන්නේ එකම අයුරින්. මෙයත් හොඳ ලක්ෂණයක් ලෙස භාවිතා කෙරෙන අවස්ථා පරිපථ නිර්මාණයේදී හමු වෙනවා (මෙම ලක්ෂණය temperature tracking යන නමින් හැඳින්වෙනවා).
මෙහි පින් 4 නිවැරදිව හඳුනාගතද යුතු වෙනවා. ඒ සඳහා බොහෝවිට +, -, ~ වැනි සංඛේත පින් අසල ඇඳ තිබෙනවා. ඇත්තටම + හා - පින් 2 හඳුනා ගැනීමම ප්රමාණවත්. පහත දකුණු කෙළවර පිංතූරයෙන් දැක්වෙනවා මෙම + හා - හා ~ පින් වලින් හැඳින්වෙන්නේ කුමන ඒවාද යන්න.
සටහන
සමහර පරිපථ කොටස් තිබෙනවා ඒවායේ යොදන උපාංග සියල්ලම හෝ කිහිපයක් පාරිසරික සාධකවලට මුහුණ දෙන විට එකම ප්රමාණයෙන් ප්රතිචාර දැක්විය යුතු. ඇත්තටම හැම තිස්සෙම වාගේ අපට විශාල ලෙස බලපාන පාරිසරික සාධකය තමයි උෂ්ණත්වය. තිබෙන දූවිලි ප්රමාණය, ආර්ද්රතාව (humidity), පීඩනය වැනි පාරිසරික සාධක උෂ්ණත්වය තරම් පරිපථවලට බලපෑම් එල්ල කරන්නේ නැහැ සාමාන්යයෙන්.
ඉලෙක්ට්රොනික් උපාංග සියල්ලම පාහේ උෂ්ණත්වය අනුව විචලනය වන බව ඔබ දන්නවා. උදාහරණයක් ලෙස යම් ඩයෝඩයක් අංශක 50 උෂ්ණත්යේ තිබෙන විට, එම උපාංගයේ අගය 2% කින් විචලනය වූවා යැයි සිතමු. එම පරිපථයේම තවත් ඩයෝඩයක් අංශක 75 උෂ්ණත්වයේ පවතින විට, එම උපාංගයේ අගය 5%කින් විචලනය වේවි යැයිද සිතමු. තමන්ට දැනෙන උෂ්ණත්වය අනුව අගයන් වෙනස් වන බව ඉතිං පැහැදිලියිනෙ.
මෙලෙස ලෙස යොදා ඇති පරිපථ උපාංගවල අගයන් උෂ්ණත්වය අනුව වෙනස් වීම එම පරිපථය අවුල් කිරීමට හේතු වේ. පරිපථ ක්රියාත්මක වන විට රත්වීම නැවැත්වීමටද ක්රමයක් නැත. එනිසා රත් වීම පාලනය කිරීම හෝ/හා රත් වීම නිසා අගයන් සුලු වශයෙන් වෙනස් වීමට ඔරොත්තු දෙන ලෙසට පරිපථ සැලසුම් කළ යුතුය (මේ ගැන මීට පෙරත් කතා කර තිබෙනවා).
මීට අමතරව තවත් පරිපථ වර්ග/කොටස් තිබෙනවා (උදාහරණයක් ලෙස ඔප් ඈම්ප් හා ඩිෆරන්ෂල් ඈම්ප්) ට්රාන්සිස්ටර් (හෝ වෙනත් උපාංග) දෙකක් හෝ කිහිපයක් උෂ්ණත්වය මත තම අගයන් වෙනස් කර ගන්නා විට, එම වෙනස්වීම ඒ උපාංග සියල්ලන්ගේම එකම මට්ටමින් සිදු විය යුතු. උදාහරණයක් ලෙස, ඔප් ඈම්ප් එකක මෙවැනි හැසිරීමක් බලාපොරොත්තු වන ට්රාන්සිස්ටර් 2ක් තිබෙනවා යැයි සිතමු. සුපුරුදු ලෙසම මෙම ට්රාන්සිස්ටර් දෙකම රත් වෙනවා ඒවා ක්රියා කරන විට. එහෙත් ඉහත කොන්දේසිය අනුව, එලෙස රත් වීම නිසා අගයන් වෙනස් වීමේදී එම ට්රාන්සිස්ටර් දෙකම එකම ප්රතිශතයකින්/අගයකින් වෙනස්විය යුතුය.
මෙම කොන්දේසි සපුරාලිය හැක්කේ කෙසේද? එය කළ හැකි ක්රමය මෙයයි.
1. මෙම උපාංග දෙකම නිෂ්පාදනය කරන විට, එකට නිෂ්පාදනය කිරීමයි. ඔබ සතුව එකම වර්ගයේ ට්රාන්සිස්ටර් කිහිපයක් ඇතැයි සිතන්න. ඒවායේ අංකද ගතිගුණද එක සමාන යැයි ඔබ සිතනු ඇත. ඇත්තටම සිදු විය යුත්තේ එය තමයි. එහෙත් ප්රායෝගිකව එසේ නොවේ. එක ට්රාන්සිස්ටරයක් ගිය අවුරුද්දේද අනෙක අවුරුදු 4කට උඩදී නිෂ්පාදනය කර තිබෙන්නට හැකියි නේද? එහෙමත් නැතිනම් එකක් පෙරේදාද අනෙක ඊයේ නිෂ්පාදනය කර තිබෙන්නට පුලුවන්. ඒ කියන්නේ එම උපාංග දෙක නිපදවා තිබෙන්නේ එකම වෙලාවේ නොවේ.
එකවර (එකම තත්පරයේ) නිපදවා නැතැයි යනු ඒවා විවිධ විය හැකියි යන්නයි. ඊට හේතුව ඊයේ සාදපු එකට යොදපු මිශ්රණයට වඩා ඉතා සියුම්ව හෝ වෙනසක් තිබෙනවා වෙනත් වෙලාවක සෑදූ එකේ. ගෙයක් සාදන විට සකස් කරන බදාමය ගැන සිතන්න. සිමෙන්ති, වැලි, ජලය මිශ්රණය දළ වශයෙන් එකම වුවත්, එම මිශ්රණය සාදන සෑම අවස්ථාවකදීම සුලු වශයෙන් හෝ එය වෙනස් වෙනවා නේද? අන්න එවැනිම දෙයක් තමයි ඉලෙක්ට්රොනික (හෝ වෙනත් ඕනෑම) උපාංගයක් සාදන විටත් සිදු වන්නේ.
ඊට අමතරව නිෂ්පාදනය කරන යන්ත්රයේ හා ක්රියාවලියේද සියුම් වෙනස් කම් තිබිය හැකියිනෙ. නැවතත් බදාම මිශ්රණය ගැන සිතන්න. ඔබ ඉතාම නිවැරදිව අනුපාතයන් සකස් කළත්, බදාමය මිශ්ර කරන විට, ඒවා මිශ්රවීම හැමතිස්සෙම එකම සමාන අයුරින් සිදු කළ නොහැකියිනෙ. ඒ කියන්නේ ක්රියාවලිය හැමවිටම 100% සමාන වන අයුරින් පවත්වාගෙන යා නොහැකි බවයි.
ඉහත ගැටලු දෙකම නැහැ එකම මොහොතේ එම උපාංග දෙක නිපදවිය හැකි නම් නේද? ඔව්. තවත් හොඳයි එකම පැකේජය තුළ එක ඒකකයක් ලෙස මෙම උපාංග දෙක නිපදවිය හැකි නම්. බ්රිජ් රෙක්ටිෆයරය නිපදවා තිබෙන්නේ මෙලෙසයි. එය විතරක් නොවේ, තවත් උපාංග රාශියක් මෙලෙස එකම පැකේජයක් තුළ නිෂ්පාදනය කරනවා. මෙලෙස එකම පැකේජය තුළ උපාංග දෙකක් නිපදවන විට, එම උපාංග දෙක matched pair ("ගැලපූ ජෝඩුව") යනුවෙන් හඳුන්වනවා.
2. අනෙක් කොන්දේසිය වන්නේ එවැනි හැසිරීමක් දැක්විය යුතු උපාංග එකම උෂ්ණත්වයකට ලක් කිරීමයි. එක් උපාංගයක් 50ටත් තව එකක් 70ටත් ආදී ලෙස වෙනස් උෂ්ණත්ව යටතේ නොතැබිය යුතුය. මෙම කොන්දේසියත් ප්රායෝගිකව පහසුවෙන් ඉටු කර ගත හැකියි උපාංග ටික එකම පැකේජය තුළ කුඩාවට සකස් කර ගත් විට. එවිට, එම ස්ථානයේ (එනම් පැකේජයේ) තිබෙන සියලු උපාංගවලට එකම උෂ්ණත්වය ලැබේ.
ඒ අනුව, උෂ්ණත්වයට එකම ආකාරයෙන් සංවේදී විය යුතු උපාංග අවශ්ය වූ විට, ඒවා එකට එකම පැකේජය තුළ නිපදවිය යුතු වෙනවා කියන එක පැහැදිලියිනෙ. උපාංග කිහිපයක් එකම ආකාරයෙන් උෂ්ණත්වයට සංවේදීවීමට සලස්වා එක සමාන අගය වෙනස්වීමක් ලබා ගැනීම temperature tracking ලෙස හැඳින්වෙනවා. ඉහත රූපයේ දැක්වූයේ මෙලෙස සෑදූ බ්රිජ් රෙක්ටිෆයරයකි.
ඉහත හොඳ ගතිගුණ දෙකට අමතරව මෙලෙස එකම පැකේජය තුළ උපාංග කිහිපයක් සෑදීමේ තවත් වාසි ඇත. පරිපථ කුඩාවට සෑදීමට හැකිවීම එක් වාසියකි. උපාංග කිහිපය වෙන වෙනම නිපදවීමට වඩා තනි පැකේජයක් ලෙස නිපදවීම ලාභදායකය. ඉතිං මේ සියලු හොඳ ලක්ෂණ නිසා, විවිධ උපාංග මෙවැනි පැකේජ ලෙස නිපදවනවා. පහත දැක්වෙන්නේ ඩයෝඩ 2ක් එකට සාදා ඇති අවස්ථාවකි.
ඩයෝඩ දෙකක් සහිත පැකේජ දෙයාකාරයෙන් පවතී. එක් වර්ගයකදී ඩයෝඩ දෙකෙහි කැතෝඩ අග්ර දෙක එකට අභ්යන්තරයෙන් සම්බන්ධ කර ඇත (එනම් කැතෝඩ අග්ර දෙක පිටතට තනි පොදු කැතෝඩයක් ලෙස ලබා දේ). එවිට එම අග්රය පොදු කැතෝඩය (common cathode) ලෙස හැඳින්වෙනවා. ඉහත රූපයේ දැක්වෙන්නේ මෙවැනි පොදු කැතෝඩයක් සහිත අවස්ථාවයි (පැකේජ බඳෙහිම එය ඇඳ තිබෙනවා; ඉන් පෙන්වා ඇති උපාංගයේ මැද පින් එක පොදු කැතෝඩයයි). එලෙසම ඩයෝඩ දෙකෙහි ඇනෝඩ දෙක එකට ගත් විට පොදු ඇනෝඩය (common anode) ලෙස එම අග්රය හැඳින්වෙනවා.
මීටත් අමතරව තවත් නොයෙක් විදියේ ඩයෝඩ පැකේජ සාදනවා. අභ්යන්තරයෙන් පින් සම්බන්ධ නොකර ස්වාධීනව පවතින ඩයෝඩ සහිතව හෝ එක එක විදියෙන් අභ්යන්තරයෙන් සම්බන්ධ කරපු පින් සහිතව හෝ මෙවැනි පැකේජ සාදනවා. මේවා ඩයෝඩ ඇරේ (diode array) යනුවෙන් හැඳින්විය හැකියි.
පෙනුමින් අයිසී මෙන් මේවා දිස් විය හැකියි. smd ආකාරයටත් මෙම ඇරේ තිබෙනවා.
ඩයෝඩ පමණක් නොව, ට්රාන්සිස්ටර්, කැපෑසිටර්, රෙසිස්ටර් වැනි උපාංගත් මෙලෙස තනි පැකේජවල සාදනවා. රෙසිස්ටර් නෙට්වර්ක් (resistor network) නමින්ද රෙසිස්ටර් ඇරේ හඳුන්වනවා. තනි තනි රෙසිස්ටර් සහිතව හෝ විවිධාකාරයේ අභ්යන්තරයෙන් පින් සම්බන්ධ කරද මෙවැනි රෙසිස්ටර් නෙට්වර්ක් නිපදවා තිබනෙවා. අයිසී ලෙසත් smd ආකාරයෙනුත් මේවා දැකිය හැකියි.
පූර්ණ ඍජුකරණය සිදු කළ හැකි තවත් ආකාරයක් තිබෙනවා. මෙහිදී ඩයෝඩ දෙකක් හා සෙන්ටර් ටැප් ට්රාන්ස්ෆෝමරයක් අවශ්ය වෙනවා. ඍජුව සඳහන් නොකළත් අර්ධ හා බ්රිජ් ඍජුකරණයේදීද ට්රාන්ස්ෆෝමර් අවශ්යයි. සාමාන්යයෙන් විශාල ඒසී විදුලියක් කුඩා ඒසී විදුලියක් බවට පත් කර, මෙන්න මෙම කුඩා ඒසී විදුලියනෙ ඩීසී බවට පත් කරන්නේ. ඉතිං මේ සඳහා ට්රාන්ස්ෆෝමරයක් අවශ්යයි නේද? පහත රූපයේ ආකාරයට මෙම ඍජුකාරක පරිපථය පවතී. මෙම ක්රමය සඳහා වෙනමම නමක් නැති හෙයින් සෙන්ටර්ටැප් ඍජුකරණය ලෙස මෙය හඳුන්වමු.
සාමාන්යයෙන් මෙම ක්රමය බ්රිජ් ක්රමයට වඩා හොඳ නැත. ඊට හේතුව ට්රාන්ස්ෆෝමරයේ ද්විතියිකයේ වට ප්රමාණය දෙගුණයක් විය යුතුය. ඒ කියන්නේ ට්රාන්ස්ෆෝමරය විශාල වන අතර, එවැනි ට්රාන්ස්ෆෝමරයක වියදමද වැඩි වේ. වට දෙගුණයක් වීම උදාහරණයක් ඇසුරින් සොයා බලමු. සාමාන්ය 240-12 වෝල්ට් අවකර ට්රාන්ස්ෆෝමරයක් ගන්න. එහි ද්විතියකයේ වට 100ක් ඇතැයි සිතමු. ඔබ දන්නවා ට්රාන්ස්ෆෝමරයක වට ගණනින් එහි වෝල්ටියතාව තීරණය වෙනවා. ඒ කියන්නේ ඉහත ට්රාන්ස්ෆෝමරයේ වට 200ක් කළොත්, දැන් ඉන් වෝල්ට් 24ක්ද වට 50ක් කළොත් වෝල්ට් 6ක්ද ලැබේවි. දැන් ඉහත ට්රාන්ස්ෆෝමරයම සෙන්ටර් ටැප් කළා යැයි සිතමු. ද්විතියකයේ වට ගණන තවමත් 100 වන අතර, සෙන්ටර් ටැප් එකේ සිට දෙපැත්තට වට 50 බැගින් පිහිටයි. ඒ කියන්නේ සෙන්ටර් ටැප් එකේ සිට දෙපැත්තට පිහිටන කොයිල් දෙකේ දැන් වෝල්ට් 6 බැගින් තිබේ (ද්විතියක කොටස් දෙකෙහිම එකතුව නැවත 12 ලැබේ).
දැන් මෙම සෙන්ටර් ටැප් ඍජුකරණය සිදු වන විට, ඇත්තටම සැලකීමට සිදු වන්නේ ස්වාධීනව ඍජුකරණ දෙකක් එකවර සිදුවන ලෙසයි. ඒ කියන්නේ සෙන්ටර් ටැප් එකේ සිට එක් පැත්තක ඇති ද්විතියික කොයිලයට සම්බන්ධ ඩයෝඩයෙන් ධන අර්ධයත්, සෙන්ටර් ටැප් එකේ සිට අනෙක් පැත්තේ ඇති ද්විතියික කොයිලයට සම්බන්ධ අනෙක් ඩයෝඩයෙන් ඍණ අර්ධයත් කපා හරී. මේ ඍජුකරණ දෙකම එකම මොහොතේයි (එනම් සමගාමීවයි) සිදු වන්නේ. එහෙත් ප්රශ්නය වන්නේ දැන් පූර්ණ තරංගයම ලැබුණත් අපට ලැබී තිබෙන්නේ වෝල්ට් 6 ක වෝල්ටියතාවක් සහිත පූර්ණ ඍජුකරණයක් මිසක් අපේක්ෂිත වෝල්ට් 12 නොවේ. ඒ කියන්නේ අපට ලැබෙන්නේ අපේක්ෂිත වෝල්ටියතාවෙන් භාගයකි. එනිසා තමයි සෙන්ටර්ටැප් ඍජුකරණය කරන විට, ද්විතියක කොයිලයේ වට ගණන දෙගුණ කිරීමට සිදු වන්නේ ඉහතදී සඳහන් කළ ලෙසටම.
Split power supply
බොහෝ අවස්ථාවලදී යොදා ගන්නා විදුලි සැපයුම් (බැටරි හෝ මේන්ස් විදුලිය) + හා - අග්ර පවතිනවා යනුවෙන් පැවසුවත් ඇත්තටම එහි පවතින්නේ + හා 0 අග්රයන් දෙකයි. මෙයම අවශ්ය නම් - හා 0 අග්රයන් ලෙසත් සැලකිය හැකියි (විදුලි ධාරාව දෛශික රාශියක් නිසා, මෙලෙස සාපේක්ෂව සිතීමට ඔබට අයිතියක් ඇත). මෙවිට තිබෙන එකම වෙනස නම්, +/0 ලෙස සැලකූ අවස්ථාවේ විදුලිය ගලා ගිය දිශාවට විරුද්ධ දිශාව ඔස්සේයි -/0 ලෙස සලකන අවස්ථාවේදී විදුලිය ගලා යන්නේ.එහෙත් සමහර පරිපථ සඳහා (විශේෂයෙන් ඔප් ඈම්ප්) අවශ්ය වෙනවා + හා - දෙකම සත්ය ලෙස පවතින පවර් සප්ලයි. මෙවැනි ජව සැපයුම් තමයි ද්විත්ව ජව සැපයුම ලෙස සැලකෙන්නේ. ධන හා ඍණ යනු එකිනෙකට විරුද්ධවාදින්ය. ධන අගයක් ක්රමයෙන් අඩු කර ගෙන යන විට අප අවසානයේ 0 දී නතර වෙනවානෙ. එලෙම ඍණ අගයද 0 කරා එනවානේ. ඒ කියන්නේ ධන හා ඍණ දෙකම 0දී හමු වෙනවා. එය ගණිතයේ හමුවන සංඛ්යා රේඛාව බදුයි. උපමාවකින් මෙය පැහැදිලි කළ හැකියි. ගඟක් තිබෙනවා යැයි සිතන්න. මෙම ගඟ 0ටද ගංගාවේ ඉවුරු දෙක ධන හා ඍණ අග්ර/වෝල්ටියතා දෙකට උපමා කරමු. දැන් එක ඉවුරක සිට අනෙක් ඉවුරට ගමන් කරන විට අනිවාර්යෙන්ම ගඟ හරහා ගමන් කළ යුතු වෙනවා නේද?
මින් ගම්ය වන්නේ ද්විත්ව සැපයුමක වෝල්ට් 0 අගයද අනිවාර්යෙන්ම තිබිය යුතු බවයි. එම වෝල්ට් 0 ද වෙනම අග්රයක් ලෙස පවතිනවා. ඒ කියන්නේ ද්විත්ව සැපයුමක අග්ර 3ක් තිබෙනවා - ධන අග්රය, ඍණ අග්රය, හා 0 අග්රය. මෙම 0 අග්රය භූගත (ග්රවුන්ඩ්) අග්රය ලෙසත් හැඳින්වෙනවා. ද්විත්ව සැපයුමකදී එකවර විදුලිය එකිනෙකට විරුද්ධ දිශා දෙකේ ගමන් කරනවා. ද්විත්ව සැපයුමේ ස්වාධීනව විදුලි සැපයුම් දෙකක් මේ අනුව පවතිනවා නේද? මෙම සැපයුම් දෙක සාමාන්යයෙන් එකම අගයෙන් යුක්තයි (එනම් සමමිතිකයි). එහෙත් අවශ්යම නම් අසමමිතික වෝල්ටියතාවන් දෙකක් පිහිටන සේත් එය සකස් කළ හැකියි. උදාහරණයක් සේ, එක කොටසක වෝල්ට් 12කුත් අනෙක් කොටසේ වෝල්ට් 6කුත් සහිතව එය සකස් කළ හැකියි. ද්විත්ව සැපයුමක් පොදුවේ V1-0-V2 ලෙසයි සටහන් කරන්නේ. සමමිතක හා අසමමිතික යන දෙකම මෙම නිරූපණ ක්රමයෙන් දැක්විය හැකියිනෙ. උදාහරණයක් ලෙස, 12-0-12 හෝ 12-0-6 හෝ ලෙස දැක්විය හැකියි.
සමමිතිකව හෝ අසමමිතිකව මෙවැනි ද්විත්ව සැපයුමක් පහසුවෙන්ම සාදන්නේ සෙන්ටර්ටැප් ට්රාන්ස්ෆෝමරයකින්ය. ද්විතියකයේ කොයිල් සෙට් දෙකෙහි වට ගණන සමාන නම්, සමමිතිකවද අසමාන නම් අසමමිතිකවද විභවයන් පිහිටන ද්විත්ව සැපයුමක් ලැබේවි. පෙරත් සඳහන් කළා සේම බොහෝවිට සමමිතික සැපයුම් තමයි භාවිතා කරන්නේ (විශේෂයෙන් සෙන්ටර්ටැප් ඍජුකරණයේදී).
ඉතිං පරිපථවලට යොදන විදුලිය ඩීසී විය යුතු නිසා, ඉහත සෙන්ටර්ටැප් ට්රාන්ස්ෆෝමරයෙන් ලැබෙන විදුලිය ඩීසී බවට පත් කර ගත යුතුයි. එය සෙන්ටර්ටැප් ඍජුකරණය සිදු කළ ආකාරයට සිදු කළොත් අපට අවසානයේ ලැබෙන්නේ ද්විත්ව සැපයුමක් නොව සාමාන්ය තනි විදුලි සැපයුමක් නේද? ඉතිං ද්විත්ව සැපයුම ලැබෙන පරිදි එය ඍජුකරණය කළ යුතුය. එය පහත රූපයේ ආකාරයට සිදු කරගත හැකියි. මෙයත් බ්රිජ් ක්රමයක් බව රූපය බැලූවිට පේනවා නේද?
සෙන්ටර්ටැප් ට්රාන්ස්ෆෝමරයේ කොයිල් සෙට් දෙකෙහි ප්රේරණය වන තරංග දෙක අංශක 180ක කලා වෙනසක් සහිතයි (ඒ කියන්නේ එක කොයිලයක ධන අර්ධය අනෙකහි ඍණ අර්ධය ලෙස පිහිටයි). මෙනිසා ඍජුකරණය වන විට, + හා - අග්රවලින් පිටවන තරංගයේ ස්වභාවයද රූපයේ දක්වා ඇති පරිදි වේ. + අග්රයෙන් උඩ (එනම් ධන) පැත්තට පිහිටි අර්ධගෝල ලැබෙන අතර, - අග්රයෙන් යට (එනම් ඍණ) පැත්තට පිහිටි අර්ධගෝල ලැබේ.
මැද අග්රයෙන් හැමවිටම ශූන්ය විභවය ලැබේ. මැද අග්රය එසේ ශූන්ය වීමට හේතුවත් ඉහත රූපයේ පැහැදිලි වේ. මෙම මැද අග්රය හරහා තමයි විදුලි දෙකම ගලා යන්නේ. මෙම විදුලි දෙක එකිනෙකට විරුද්ධ හා සමාන නිසා හැමවිටම එකිනෙකට කැපී යනවා.
ඇත්තටම ඉහත රූපයේ ඍජුකරණයට අමතරව සුමටකරණය කිරීම සඳහා සුමටකරණ ධාරිත්රකද යොදා ඇත. සාමාන්යයෙන් පෙන්වා ඇති පරිදි වෙන වෙනම එකම අගය සහිත ධාරිත්රක දෙකක් යෙදිය යුතුය.
තෙකලා විදුලිය ඍජුකරණය (three phase rectification)
ඉහත සියලුම ඍජුකරණයන් සිදු කළේ තනිකලා විදුලියන් සමගයි. තෙකලා විදුලියද පහසුවෙන්ම ඍජුකරණය කළ හැකියි. මෙහිදී කරුණු කිහිපයක් සැලකිල්ලට ගත යුතුව තිබෙනවා. තෙකලා විදුලියේ කලා තුන ස්වාධීන වෙන වෙන කලාවන් ලෙස සලකා තනිකලා විදුලි සැපයුම් 3ක් ලෙස සිතිය හැකියි (අතිරේක කියවා බලන්න). එවිට ඒ එක් එක් තනි කලාවන්ට ඉහත කියා දුන් ආකාරවලින් ඍජුකරණය සිදු කළ හැකියි. එනිසා මෙහි අමුතුවෙන් කියා දීමට දෙයක් නැත.එහෙත් තෙකලා විදුලිය තනි විදුලියක් ලෙස සලකාද ඍජුකරණය සිදු කළ හැකියි. එහි අර්ධ තරංග ඍජුකරණය කරන හැටි පහත රූපයේ දැක්වේ. එක් එක් කලාව වෙනස් වර්ණවලින් දක්වා ඇත. නියුට්රල් වයරයද අවශ්ය වේ (එනිසා Y configuration එක අවශ්ය කෙරේ). තෙකලා විදුලිය අර්ධ තරංග ක්රමයෙන් ඍජුකරණය කළද ඔබට "වලවල්" අඩු විදුලියක් ලැබෙන බව පේනවාද? තෙකලා විදුලියකින් ඩීසී විදුලියක් ලබා ගැනීමේ තිබෙන ප්රමුඛතම වාසිය මෙයයි (මෙම තත්වය තවදුරටත් හොඳ වෙනවා තෙකලා විදුලිය පූර්ණ තරංග ඍජුකරණයට ලක් කරන විට).
අවශ්ය නම්, පහත රූපයේ දැක්වෙන පරිදි සුමට ධාරිත්රකයක් යොදා තවදුරටත් එම විදුලිය සුමට කරගත හැකියි.
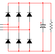
දැන් බලමු තෙකලා විදුලිය පූර්ණ තරංග ඍජුකරණය කරන හැටි. මෙහිදී ඩෙල්ටා කන්ෆිගරේෂන් එකයි යොදා ගන්නේ. බලන්න සුමටකරණයක් නැතිවත් වලවල් (ගැස්සිල්ල) ඉතාම අඩු ඩීසී වෝල්ටියතාවක් ලැබෙනවා.
අවශ්ය නම්, සුමටකරණ ධාරිත්රකයක් යොදා තවදුරටත් සුමට කළ හැකියි.
ඉලෙක්ට්රෝනික්ස් (electronics) ...


















Comments
Post a Comment
Thanks for the comment made on blog.tekcroach.top